Anodové baterie - replika
Anodové baterie - replika
Dobrý den, chystám se vyrobit repliky anodových baterií. Fyzicky vlastním jen originál baterie 67,5V. Postahoval jsem z netu skeny obalů, ale nějak mi nehrají rozměry. Mohl by mi někdo, kdo vlastní 45V a 90V, změřit rozměry obalu (výška bez "patentek"), abych nevyráběl něco, co pak nedostanu do některého rádia?
Děkuji
Děkuji
Re: Anodové baterie - replika
Možná koukám špatně ale rozměry nikde nevidím.
Re: Anodové baterie - replika
Tak tady jsou nějaké rozměry http://www.radiohistoria.sk/Oldradio/ma ... aterii.pdf
Re: Anodové baterie - replika
Moc to nepomohlo, už mám po třech různých rozměrech od každé baterie.
Vycházím z návodu pro Tesla Minor:
45V
95x67x45
67,5V
95x70x35
Přesto, pokud by mi někdo oměřil skutečnou baterii, byl bych vděčný.
Jěště bych tké uvítal, pokud někdo neví, kde sehnat druky na těchto bateriích?
V prodeji jsou jen větší.
Vycházím z návodu pro Tesla Minor:
45V
95x67x45
67,5V
95x70x35
Přesto, pokud by mi někdo oměřil skutečnou baterii, byl bych vděčný.
Jěště bych tké uvítal, pokud někdo neví, kde sehnat druky na těchto bateriích?
V prodeji jsou jen větší.
-
jirka5
- Příspěvky: 269
- Registrován: 30.06. 2013, 20:41
- Bydliště: Very Stupid District (hned vedle okresu Postřižiny)
Re: Anodové baterie - replika
Mě by zajímalo, co dáte dovnitř té repliky baterie. Složíte ji z nějakých článků, z jakých? Nebo tam zabudujete měnič, jaký, nebude rušit? Z čeho ho budete napájet, jak vyřešíte jeho vypínání?
Zajímám se o to, protože mám taky jednoho Minora.
Zajímám se o to, protože mám taky jednoho Minora.
Re: Anodové baterie - replika
Zdravím, tady jsou parametry z knížky "Elektronické a eletroakustické součástky".
Jinak jsem zkusil změřit papírový obal, který mám od té 932045 a má cca 62×36×92. Podle mě byly ty udávané rozměry maximální, a výrobce dělal baterie jak mu to vyšlo.
Já už jsem pár baterií dělal, ale tuhle zatím ne. Mám dojem, že mi tam ty devítky (6F22) moc nevycházely a zatím jsem to nechal být.
Tadu je baterie do japonského Sterlingu. Elektricky je podobný Minoru, ale díky menším součástkám je o hodně menší. Tady 6F22 nemají šanci a je to udělané z dvanáctivoltových 23A. Druky jsou tam jako na 6F22, takže nebyl problém. Druky jsem kdysi objednal v USA, ale bylo to v době, kdy ještě mělo internet jen pár cvoků, co si dokázali sestavit počítač a už nevím, kde to bylo. Další možnost jsou vraky rádií. Teď jsem zkusil kouknout a je k dispozici třeba tohle.
https://www.ebay.co.uk/itm/305003571356
Tady to viditelně udělali výtiskem na 3D tiskárně a asi tam strkají drát (můj odhad).
https://www.retroraj.cz/shopnt/zbozi.ph ... a&kaid=988
Tady ještě pro ilustraci Markofon B452. Anodka je z nalámaných kusů plastu a vevnitř jsou 6F22, žhavicí je z původního suchého článku. Bez rozbití bakelitu se mi podařilo rozebrat až druhý, vevnitř jsou čtyři R14 paralelně v držáku. Dneska by to bylo jednodušší díky 3D tiskárně. Jen nějak není čas.
Teď jsem si všiml, že se na začátku ptáte na 90V, jaký to má být typ, eventuelně do jakého rádia? Já mám v tom Markofonu repliku s označením AB90, což jsem asi vzal z nějaké fotky a rozměry jsem dopočítal z rozměrů rádia a té fotky, dělá to 198×150×71. Později jsem získal kryt baterie 5004 (90V), který dlouho sloužil jako krabice na elektronky. Ten má rozměry cca 215×132×68 a do toho markofonu by se na šířku nevešel. Jinak, ale vypadá podobně (a dost zdrchaně).
Já osobně měniče nepoužívám, je tam problém z rušením a zapínáním, takže skládám do série to co je k dispozici. Ono tam za chvíli stejně nebude ani nic k poslechu. Je potřeba vyjet někam z města dál od rušení, pak se to jakž takž dá.
Doufám, že to trochu pomohlo.
Já už jsem pár baterií dělal, ale tuhle zatím ne. Mám dojem, že mi tam ty devítky (6F22) moc nevycházely a zatím jsem to nechal být.
Tadu je baterie do japonského Sterlingu. Elektricky je podobný Minoru, ale díky menším součástkám je o hodně menší. Tady 6F22 nemají šanci a je to udělané z dvanáctivoltových 23A. Druky jsou tam jako na 6F22, takže nebyl problém. Druky jsem kdysi objednal v USA, ale bylo to v době, kdy ještě mělo internet jen pár cvoků, co si dokázali sestavit počítač a už nevím, kde to bylo. Další možnost jsou vraky rádií. Teď jsem zkusil kouknout a je k dispozici třeba tohle.
https://www.ebay.co.uk/itm/305003571356
Tady to viditelně udělali výtiskem na 3D tiskárně a asi tam strkají drát (můj odhad).
https://www.retroraj.cz/shopnt/zbozi.ph ... a&kaid=988
Tady ještě pro ilustraci Markofon B452. Anodka je z nalámaných kusů plastu a vevnitř jsou 6F22, žhavicí je z původního suchého článku. Bez rozbití bakelitu se mi podařilo rozebrat až druhý, vevnitř jsou čtyři R14 paralelně v držáku. Dneska by to bylo jednodušší díky 3D tiskárně. Jen nějak není čas.
Teď jsem si všiml, že se na začátku ptáte na 90V, jaký to má být typ, eventuelně do jakého rádia? Já mám v tom Markofonu repliku s označením AB90, což jsem asi vzal z nějaké fotky a rozměry jsem dopočítal z rozměrů rádia a té fotky, dělá to 198×150×71. Později jsem získal kryt baterie 5004 (90V), který dlouho sloužil jako krabice na elektronky. Ten má rozměry cca 215×132×68 a do toho markofonu by se na šířku nevešel. Jinak, ale vypadá podobně (a dost zdrchaně).
Já osobně měniče nepoužívám, je tam problém z rušením a zapínáním, takže skládám do série to co je k dispozici. Ono tam za chvíli stejně nebude ani nic k poslechu. Je potřeba vyjet někam z města dál od rušení, pak se to jakž takž dá.
Doufám, že to trochu pomohlo.
Re: Anodové baterie - replika
Díky za rozměry.
Ty "druky" zkusím objednat z ebay, jenom nechápu, že to nemají číňani? Alespoň jsem to nikde nenašel.
Pokud by jste měl obrázek té z Markofonu určitě bych se jí pokusil také vyrobit.
90V baterii jsem myslel tuto: Do všech náhrad půjde určitě měnič do plechové krabice. Akumulátory použiji ze starých kamer. Jsou tam 2x Lion.
Vypínaní je vyřešené, jen se to snažím trochu zjednodušit. Publikoval to tu pan Malina: Jenom použiji DC/DC konvertor s paralelní cívkou a vypínání zkusím udělat jednodušší.
Poslouchat je stále co, vysílám si svůj program. Jinak s touto anténou se dá chytit dost stanic.
Ty "druky" zkusím objednat z ebay, jenom nechápu, že to nemají číňani? Alespoň jsem to nikde nenašel.
Pokud by jste měl obrázek té z Markofonu určitě bych se jí pokusil také vyrobit.
90V baterii jsem myslel tuto: Do všech náhrad půjde určitě měnič do plechové krabice. Akumulátory použiji ze starých kamer. Jsou tam 2x Lion.
Vypínaní je vyřešené, jen se to snažím trochu zjednodušit. Publikoval to tu pan Malina: Jenom použiji DC/DC konvertor s paralelní cívkou a vypínání zkusím udělat jednodušší.
Poslouchat je stále co, vysílám si svůj program. Jinak s touto anténou se dá chytit dost stanic.
Re: Anodové baterie - replika
Ahoj.
ty 45V baterie byly původně užší na vybíjecí proud 10mA, já jen viděl ty silnější které byly již na 20mA.
Také jsem si stavěl repliky z poskládaných 9 voltovek. Když ale ceny vyletěly na mnou neakceptovatelnou cenu, udělal jsem si univerzální li_ionkovou s měničem. Velikostí je taková, aby vlezla do většiny možných rádií, má i zdířky na banánky, takže kablíkama lze propojit vše ostatní. Neduha rušení je minimální a pouze na určitých místech v prolaďovaném pásmu odvislých i od konstrukce daného rádia a vzdálenosti baterie od rádia, již 10 - 15 cm vzdálená baterie nikde v již prolaďovaném pásmu neruší a údajného vypínače také není potřeba řešit, neboť se umí sama zapnout i vypnout. Výstupní napětí je nastavitelné od 45V do 135V. Druky do baterií jsem získal z dětské bundy ze second- handu, u nás taková velikost nikde není. Nicméně, my na severní Moravě přes den již můžeme poslouchat pouze přes svůj vlastní modulátor, poslech u nás zůstal pouze večer.
ty 45V baterie byly původně užší na vybíjecí proud 10mA, já jen viděl ty silnější které byly již na 20mA.
Také jsem si stavěl repliky z poskládaných 9 voltovek. Když ale ceny vyletěly na mnou neakceptovatelnou cenu, udělal jsem si univerzální li_ionkovou s měničem. Velikostí je taková, aby vlezla do většiny možných rádií, má i zdířky na banánky, takže kablíkama lze propojit vše ostatní. Neduha rušení je minimální a pouze na určitých místech v prolaďovaném pásmu odvislých i od konstrukce daného rádia a vzdálenosti baterie od rádia, již 10 - 15 cm vzdálená baterie nikde v již prolaďovaném pásmu neruší a údajného vypínače také není potřeba řešit, neboť se umí sama zapnout i vypnout. Výstupní napětí je nastavitelné od 45V do 135V. Druky do baterií jsem získal z dětské bundy ze second- handu, u nás taková velikost nikde není. Nicméně, my na severní Moravě přes den již můžeme poslouchat pouze přes svůj vlastní modulátor, poslech u nás zůstal pouze večer.
Re: Anodové baterie - replika
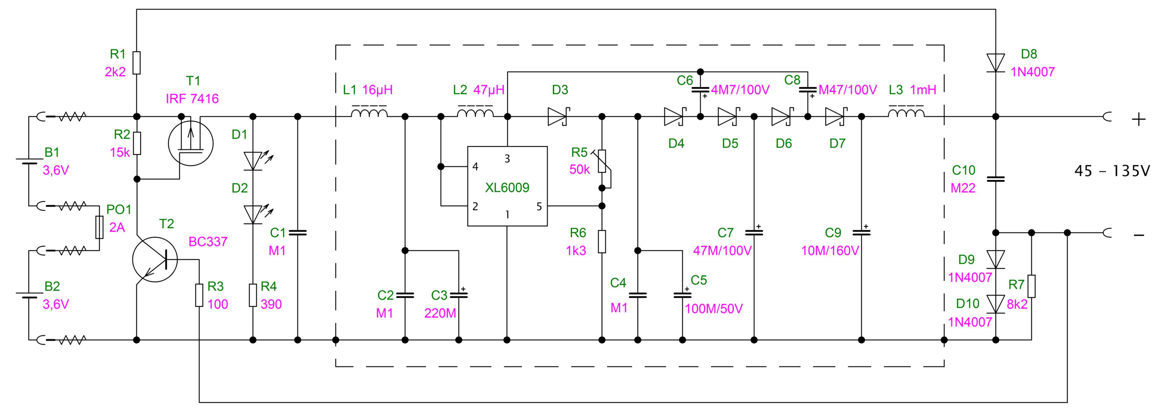
Ten měnič se umí sám zapnout a odepnout od baterie i bez toho mosfetu?
Ze schematu bych řekl, že proud do zátěže poteče přes tlumivku a diody i když se měnič zastaví.
Proto chci použít měnič se dvěmi cívkami, kde je v serii kondenzátor a zastavovat XL6009 vývodem enable.
Ze schematu bych řekl, že proud do zátěže poteče přes tlumivku a diody i když se měnič zastaví.
Proto chci použít měnič se dvěmi cívkami, kde je v serii kondenzátor a zastavovat XL6009 vývodem enable.
