Tesla 504 U-II "Pionýr" zníženie napätia
Tesla 504 U-II "Pionýr" zníženie napätia
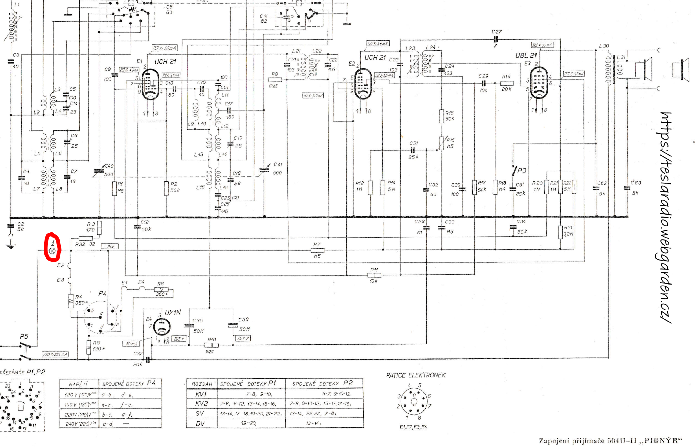
Potrebujem radu, ako znížiť napätie na žiarovke, ktoré je momentálne 30V/ AC. Táto vetva zrejme žhaví aj elektrónky a má tam byť okolo 6V. Aj pôvodná žiarovka bola na 6-7 V. Väčšina kondenzátorov je vymenená. Zrážacie odpory R4, R5, R6 sú OK. Prepínač napätia je nastavený na 240V.
-
Martin 1374
- Příspěvky: 128
- Registrován: 31.01. 2020, 10:08
Re: Tesla 504 U-II "Pionýr" zníženie napätia
Žárovka v tomto přijímači slouží rovněž jako pojistka. Proto než napětí je důležitější proud, který jí protéká. Pokud rádio funguje a žárovka nehoří, není to úplná katastrofa. Nicméně napětí svědčí o tom, že něco špatně je. Zkontrolujte, kromě kondenzátorů i odpory v této a přilehlých větvích a pokud budou v pořádku, zkontrolujte i elektronky, zvláště pak nemají-li někde v systému zkrat. U mnoha přijímačů této "rytmusové" řady způsoboval shoření žárovky kondenzátor na patici UY1N, zde označený jak C37. To bývala velmi častá závada. Zkontrolujte, zda jste ho nahradil jiným na přiměřené napětí.
Re: Tesla 504 U-II "Pionýr" zníženie napätia
Ďakujem za odpoveď. Kondenzátory a odpory v priľahlých vetvách skontrolujem. Prikladám foto nahradeného kondenzátora C37, nie som si istý, či je tento typ kondenzátora vhodný. Ďakujem
Re: Tesla 504 U-II "Pionýr" zníženie napätia
Domnívám se, že pokud by bylo na správné žárovce 30V, buď by okamžitě shořela, nebo spíše explodovala.
Není ten problém jen v měření toho napětí ? Je tam přece jen velká složka proudu jednocestně usměrněného napětí, takže běžný multimetr může ukazovat více, než tam skutečně je ( myšleno efektivní hodnotu) . Anebo je tam nějaká "čínská" žárovka s vysokým odporem vlákna - chce to ji změřit třeba na ss zdroji, co je to vlastně zač.
Kondenzátor mezi k a a usměrňovačky bude ok.
Není ten problém jen v měření toho napětí ? Je tam přece jen velká složka proudu jednocestně usměrněného napětí, takže běžný multimetr může ukazovat více, než tam skutečně je ( myšleno efektivní hodnotu) . Anebo je tam nějaká "čínská" žárovka s vysokým odporem vlákna - chce to ji změřit třeba na ss zdroji, co je to vlastně zač.
Kondenzátor mezi k a a usměrňovačky bude ok.
-
jirka5
- Příspěvky: 269
- Registrován: 30.06. 2013, 20:41
- Bydliště: Very Stupid District (hned vedle okresu Postřižiny)
Re: Tesla 504 U-II "Pionýr" zníženie napätia
Taky může být vadný vazební kondenzátor C 29 (mít svod), koncová elektronka UBL21 potom táhne moc velký proud, což se projeví i zvýšeným svitem stupnicové žárovičky. Dále může být nějaká závada ve výrobě záporného předpětí pro UBL21, což má stejné následky. Při dnešním síťovém napětí 230 či spíše 240 V se tyto univerzály silně přehřívají, aniž by měly nějakou zjevnou závadu. Doporučuji udělat si zkušební přípravek pro náhradu UY1N podle Vaška Balka. Návod má na svých stránkách.
V dobách, kdy tyto přijímače byly normálně v provozu, řešil jsem nadměrné zahřívání zavedením půlvlnného žhavení, což je u sbírkového přístroje nepřípustné
.
V dobách, kdy tyto přijímače byly normálně v provozu, řešil jsem nadměrné zahřívání zavedením půlvlnného žhavení, což je u sbírkového přístroje nepřípustné
Naposledy upravil(a) jirka5 dne 13.10. 2022, 09:19, celkem upraveno 1 x.
Re: Tesla 504 U-II "Pionýr" zníženie napätia
Kondenzátor C29 bol vymenený, kontroloval som odpory, zvody na kondenzátoroch, všetko sa javí v poriadku. Zabudol som ale zmieniť, že žiarovku som nepoužil predpísanú na 6V, ale 18V. Faktom je aj to, že v elektrónke UY1N niečo chrastí. Polovodičovú náhradu za UY1N plánujem vyrobiť podľa pána Baleka, ale neexistuje viac takýchto návodov?
Re: Tesla 504 U-II "Pionýr" zníženie napätia
Tak proč si stěžuješ na velké napětí na žárovce, když sis tam sám dal žárovku s pravděpodobně velkým odporem vlákna ???
-
jirka5
- Příspěvky: 269
- Registrován: 30.06. 2013, 20:41
- Bydliště: Very Stupid District (hned vedle okresu Postřižiny)
Re: Tesla 504 U-II "Pionýr" zníženie napätia
Toto téma se zde na fóru již velmi podrobně rozebíralo, stačí trochu poguglit:
https://www.radio-forum.cz/domains/radi ... f=4&t=1313
M.M.: Tam najdeš odpovědi na všechny své otázky.
https://www.radio-forum.cz/domains/radi ... f=4&t=1313
M.M.: Tam najdeš odpovědi na všechny své otázky.
Re: Tesla 504 U-II "Pionýr" zníženie napätia
Začal bych žárovičkami, ty musí být použity hlavně na předepsaný proud ! Pak dá pokud problém přetrvává, tak jak bylo již napsáno je velký odebíraný proud. Pokud není vadný vazební kondenzátor, určitě bude vadný nějaký blokovací v anodové větvi, v dnešní době typicky všechny. Stačí aby měl větší svod. C28,61,62.
Změř odebíraný proud.
Změř odebíraný proud.
Re: Tesla 504 U-II "Pionýr" zníženie napätia
Ďakujem za rady. Keď budem mať predpísanú žiarovku, pomeriam odoberané prúdy aj v anódovej vetve a potom sa ozvem. Rádio celkovo funguje, ladí, len ho nechcem spáliť, preto takto laborujem. Skúšam teraz cez aukro získať jednu funkčnú UY1N, pretože ako som písal v tej mojej niečo chrastí a ak sa ju podarí získať uvidíme čo to spraví. Pretože som našiel na druhom fóre príspevok od "Jirka5" (9. Listopad 2016), ktorý znel nasledovne:
"Jirka5: Pamatuji se, že v době, kdy jsem opravoval Talismany, bývala UY1N nejproblematičtější elektronkou. Když zákazník přinesl rádio s tím, že se mu pořád pálí žárovičky, byla to tutovka. Tato elektronka velmi trpěla na uvolňování mechanických částic z katody, které pak způsobovaly mezielektrodové zkraty. Zkrátka, usměrňovačka si prskla a rázem bylo po osvětlovacích žárovičkách.
Divím se, že jsem se doposud nesetkal s tím, že by tento velmi častý problém někdo na fórech popsal.
Měl jsem proto podobný přípravek jako Vašek Balek, ale ve žhavící větvi jsem měl místo odporu diodu, která zajišťovala půlvlnné žhavení zápornou periodou. Návod na tuto úpravu vyšel kdysi v AR a autor tam psal, že se zrovnoměrní odběr ze sítě - kladná půlvna anody, záporná žhavení. A opravdu - upravil jsem tímto způsobem spousty přijímačů, zákazníci si chválili, že už tolik netopí a nevrčí. Nepamatuji se, že bych tenkrát měl nějaké problémy s intermodulačním brumem.
Nechci nikoho k ničemu navádět - dnes jde o restaurování přijímačů pokud možno do půvadního stavu, nikoliv o pouhou opravu, ale ten přípravek určitě doporučuji, proto i ony žárovičky E10 6,3V/0,3A začínají být velkou vzácností."
"Jirka5: Pamatuji se, že v době, kdy jsem opravoval Talismany, bývala UY1N nejproblematičtější elektronkou. Když zákazník přinesl rádio s tím, že se mu pořád pálí žárovičky, byla to tutovka. Tato elektronka velmi trpěla na uvolňování mechanických částic z katody, které pak způsobovaly mezielektrodové zkraty. Zkrátka, usměrňovačka si prskla a rázem bylo po osvětlovacích žárovičkách.
Divím se, že jsem se doposud nesetkal s tím, že by tento velmi častý problém někdo na fórech popsal.
Měl jsem proto podobný přípravek jako Vašek Balek, ale ve žhavící větvi jsem měl místo odporu diodu, která zajišťovala půlvlnné žhavení zápornou periodou. Návod na tuto úpravu vyšel kdysi v AR a autor tam psal, že se zrovnoměrní odběr ze sítě - kladná půlvna anody, záporná žhavení. A opravdu - upravil jsem tímto způsobem spousty přijímačů, zákazníci si chválili, že už tolik netopí a nevrčí. Nepamatuji se, že bych tenkrát měl nějaké problémy s intermodulačním brumem.
Nechci nikoho k ničemu navádět - dnes jde o restaurování přijímačů pokud možno do půvadního stavu, nikoliv o pouhou opravu, ale ten přípravek určitě doporučuji, proto i ony žárovičky E10 6,3V/0,3A začínají být velkou vzácností."
