REL 460 kude jde NF signál

Vše okolo historických rádií
Uživatelský avatar
Balek
Příspěvky: 186
Registrován: 17.10. 2011, 16:38
Kontaktovat uživatele:

REL 460 kude jde NF signál

Příspěvek od Balek » 16.10. 2015, 05:51

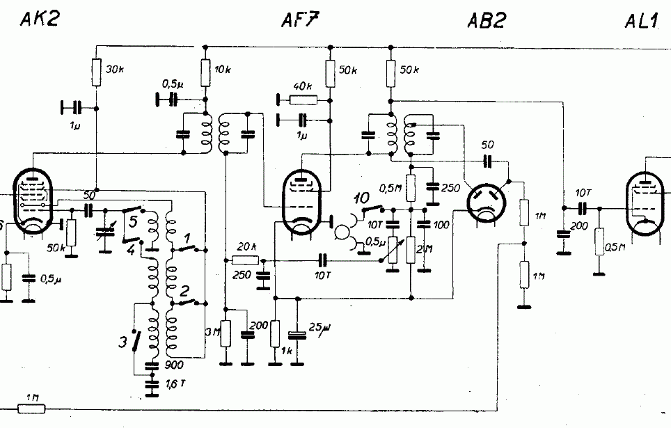
Právě opravuji REL 460 zakoupený na našem posledním setkání v Rokycanech který se mi nejprve jevil pouze jako přístroj s předělanou koncovkou,(domníval že AL4 místo AL1) později jsem zjistil že někdo přepojil i diody, asi se pokusil dát jako koncovku ABL1, ale vývod a horní čepička chyběla, asi to nestihl dokončit, ale porč taková úprava že by neměl AB2 ?

Rádio jsem nakonec dal dohromady, ale nejde regulace hlasitosti. Pokud odpojím oba 10n kondíky od potenciometru hlasitosti tak rádio hraje dál. Kudy jde signál ? nejspíš jsem někde udělal chybu, ale pokud nevím jak to funguje a kudy má jít signál tak se nehnu z místa. Poradte prosím.
Přílohy
sch460vyrez.gif
breta1
Příspěvky: 93
Registrován: 02.04. 2012, 21:57

Re: REL 460 kude jde NF signál

Příspěvek od breta1 » 16.10. 2015, 08:45

Podle toho zapojení, co jsi sem dal, nemúže po odpojení kondíku 10n na běžci potenciometru projít nf signál přes AF7, AL1 až na výstup.
Když se dívám na to zapojení, je takové zvláštní, že se zde použila elektronka AF7 ke dvojímu účelu - mf zesilovač a současně nf zesilovač, ale proč ne, je to obdobné zapojení jako v reflexních rádiích.
Nezbude ti, než hledat, co někdo v zapojení změnil oproti uvedenému.
Viktor
Příspěvky: 69
Registrován: 01.07. 2015, 06:59
Bydliště: Liberec

Re: REL 460 kude jde NF signál

Příspěvek od Viktor » 16.10. 2015, 12:16

Jak je na tom elit 25uF? (Případně ho zkus vyměnit za jiný nový.) Pokud je elit bez kapacity, tak máš z AF7 sledovač signálu.
breta1
Příspěvky: 93
Registrován: 02.04. 2012, 21:57

Re: REL 460 kude jde NF signál

Příspěvek od breta1 » 16.10. 2015, 14:11

No, myslím, že i kdyby byl ten elyt bez kapacity, tak ten odporový dělič 2M/1k utlumí nf signál více než 2 000 krát, takže by skoro nebylo co zesilovat.
V tom případě by elektronka nefungovala jako sledovač, ale jako zesilovač se společnou mřížkou.
Uživatelský avatar
Milan
Příspěvky: 871
Registrován: 04.04. 2012, 19:01
Bydliště: Nýřany

Re: REL 460 kude jde NF signál

Příspěvek od Milan » 16.10. 2015, 20:04

Zajímavá informace je, že v rádiu chyběla též AB2. Nejsem jasnovidec, ale AF7 jde jednoduše zapojit jako audion který bude detekovat mf signál. Pak by to teoreticky nepotřebovalo druhý mf transformátor ani AB2... Záleží jen nakolik se dobový bastlíř odchýlil od původního zapojení. Každopádně by to bylo zajímavé překreslit.
Jano
Příspěvky: 150
Registrován: 01.10. 2014, 08:11

Re: REL 460 kude jde NF signál

Příspěvek od Jano » 17.10. 2015, 19:10

Jaká je citlivost vstupu Gramo? Reaguje na regulaci hlasitosti?
Viktor
Příspěvky: 69
Registrován: 01.07. 2015, 06:59
Bydliště: Liberec

Re: REL 460 kude jde NF signál

Příspěvek od Viktor » 19.10. 2015, 14:34

To Breta1: No jo... to by byl zesilovač s uzemněnou mřížkou. Nevšiml jsem si kapacity 200p.
Vynechal AB2... jestli náhodou neměl myšlenku takovou, že k detekci použije právě ABL1 a už signál nebude zesilovat AF7, ale napere ho rovnou do koncovky. Možná se zastavil u řešení předpětí pro ABL1 nebo něčeho takového... Vašku, máš náčrtek jak to vypadalo pře tím?
Uživatelský avatar
Balek
Příspěvky: 186
Registrován: 17.10. 2011, 16:38
Kontaktovat uživatele:

Re: REL 460 kude jde NF signál

Příspěvek od Balek » 20.10. 2015, 12:01

Tak jsem si chtěl pomoct a o víkendu jsme vyhrabal další podobný kus, ale narazil jsem.
Tento kus má zjevně předělanou tuto část a potenciometr hlasitosti je zapojený mezi G1 a zem jako reostat což zjevně není originál. To původní zapojení je asi dosti nespolehlivé a bylo často předělávané.

jen pro úplnost: jeden přijímač, ten co jsem opravoval jako první má AZ1 na trafu a jeden blok kondenzátorů a bednu jako REL461, ten druhý kus co je méně předělaný je REL460 i podle skříně. Má 2 kondenzátorové bloky, a AZ1 na šasi.
Možná že i přímo výrobce dělal již jiné zapojení jež je v baudyšovi.
Čistokrevný REL 461 je již jinak zapojený a je s ABC1.
http://www.radiohistoria.sk/Oldradio/ma ... id/0001284
tyto přístroje mají osazení jako 460, ale může se tam něco již od výrobce lišit, pomohlo by mi kdyby někdo poslal foto svého kusu.
http://www.radiohistoria.sk/Oldradio/ma ... id/0000685
Přílohy
Clipboard02.jpg
Clipboard01.jpg
sch460druhykus.gif
breta1
Příspěvky: 93
Registrován: 02.04. 2012, 21:57

Re: REL 460 kude jde NF signál

Příspěvek od breta1 » 20.10. 2015, 14:12

Ten červeně zakroužkovaný kondenzátor 10T vlevo nemůže být připojený na zem, ale do bodu 10.
K té regulaci hlasitosti potenciometrem jako reostat - no, nějak to bude fungovat, ale uřeže to hloubky při nižší hlasitosti (takže to je proti požadavku fyziologické regulace hlasitosti).
Uživatelský avatar
Balek
Příspěvky: 186
Registrován: 17.10. 2011, 16:38
Kontaktovat uživatele:

Re: REL 460 kude jde NF signál

Příspěvek od Balek » 21.10. 2015, 09:24

No je to celé divně zapojené, jak píše breta1 tak s tím 10n to tak nemůže fungovat, ledaže to je záměrně uzemněno a někde jinde přepojeno, aby to fungovalo jinak. proto potřebuji vědět jak je zapojený jiný kus. Schéma z Baudyše nemusí na 100% souhlasit. U Relů jsme se tím setkal již několikrát, třeba u Primusů to je kapitola sama o sobě.
Odpovědět