Koheler
Re: Koheler
Pivo zavinilo překlep...samo,žese jedná o KOHERER.
-
jjj
Re: Koheler
Neumim "0pšonka" - prosim přeložit: http://www.weirdscience.net23.net/Koher ... retro.html
Pivo sem pochopyl.
Pivo sem pochopyl.
Re: Koheler
Odkazů a ukázek je na NETu spousta-jen se ptám,jestli někdo nemá...jinak na liště alespoň já mám okénko "přeložit"-na to kliknu a je to přeložené....
Re: Koheler
Ten původní vypadal trochu jinak a měl i lepší vlastnosti: v držáku krystal a proti krystalu nastavitelný drátek s čudlíkem na uchycení rukou, aby se našel nejcitlivější bod na krystalu. Bohužel už nemám ani fotku. Tohle už je spíš primitivní dioda.
Re: Koheler
Vyjasnění,co to koherer je...
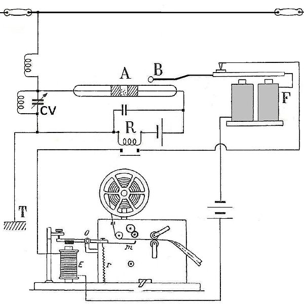
V roce 1890 Édouard Branly upozornil, že vodivost způsobená elektrickými výboji otřesem zmizí. Vycházel z dřívějších znalostí, že měděné piliny mírně nakupené mezi dvěma mosaznými destičkami jsou elektricky nevodivé, ale díky indukovaným proudům se vodivými stávají. Tak vznikl Branlyův koherer.
V roce 1890 Édouard Branly upozornil, že vodivost způsobená elektrickými výboji otřesem zmizí. Vycházel z dřívějších znalostí, že měděné piliny mírně nakupené mezi dvěma mosaznými destičkami jsou elektricky nevodivé, ale díky indukovaným proudům se vodivými stávají. Tak vznikl Branlyův koherer.
- Přílohy
-
- koherer 1697.gif
- (4.82 KiB) Zatím ještě nestaženo
-
stitchf
Re: Koheler
Ahoj,
koherer nemusí na pokusy být vakuovaný.
Tak jsem spáchal tento pro mého synovce na pokusy:
http://picasaweb.google.com/lh/photo/mQ ... b61o6-dBZQ
Je z trubičky (tuším) z tlusté náplně do propisky a z mosazného 4mm drátu.
Pilníkem jsem nastrouhal piliny.
Už si přesně nepamatuji, ale měl odpor cca 300 ohm a po dopadu elm.vln z jiskřiště poklesl jeho odpor v podstatě na nulu.
Robert
koherer nemusí na pokusy být vakuovaný.
Tak jsem spáchal tento pro mého synovce na pokusy:
http://picasaweb.google.com/lh/photo/mQ ... b61o6-dBZQ
Je z trubičky (tuším) z tlusté náplně do propisky a z mosazného 4mm drátu.
Pilníkem jsem nastrouhal piliny.
Už si přesně nepamatuji, ale měl odpor cca 300 ohm a po dopadu elm.vln z jiskřiště poklesl jeho odpor v podstatě na nulu.
Robert
-
Karel S.
Re: Koheler
Mám pocit, že nehledáte koherer ale krystalový detektor , jak to popisujete. " krystal, drátek...čudlik, nastavitelný..." Ten funguje ÚPLNĚ JINAK než koherer, kterého funkci Vám popisuje jjarda.jjilek píše:Ten původní vypadal trochu jinak a měl i lepší vlastnosti: v držáku krystal a proti krystalu nastavitelný drátek s čudlíkem na uchycení rukou, aby se našel nejcitlivější bod na krystalu. Bohužel už nemám ani fotku. Tohle už je spíš primitivní dioda.
Jestli se nemýlím, tak chcete udělat A POSLOUCHAT krystalku, než neseženete ten detektor s čudlikem, lze jej nahradit germaniovou diodou a nic nastavovat nemusíte.
Na KOHERER se nic poslouchat NEDÁ , to je v podstatě spínací prvek. (pro relé, žárovku...)
Naposledy oživil Anonymous v 21.10. 2013, 05:21
