Tesla Romance , renovace + vkv

Vše okolo historických rádií
Milan155
Příspěvky: 460
Registrován: 05.01. 2014, 05:53
Bydliště: severovýchodní Vysočina

Tesla Romance , renovace + vkv

Příspěvek od Milan155 » 30.09. 2020, 18:56

Někde jsem četl, že zájem o stará elektronková rádia Tesla mezi veřejností je mizivý i s ohledem na chystané vypnutí AM vysílačů Českého rozhlasu. Jsem jiného názoru. Poté, co jsem podlehl kamarádovi s vestavbou vkv u Kriváně , už mám v dílně další "zakázku" ( upozorňuji, že externě pracuji pouze pro kamarády a sousedy a to bezúplatně) . Je to omlácená Romance viz obrázky. Kamarád by rád vylepšený exteriér a pokud možno příjem vkv .
Šasi už mám opravené, svitky vyměněny ( např. 50 pF v AVC izol. odpor ohmmetrem cca 7MOhmů , to fungovat tedy nemůže). Potenciometr hlasitosti bez vypínače, dán nový. Rozpadlá nefunkční tepelná pojistka trafa nahrazena jinou . Vadný slídový kond v jedné polovině 1.MF , taktéž v oscilátoru DV (kmitalo někde na SV) , nejhorší úplně rozpadlá mřížková cívka oscilátoru na SV . Naštěstí je navinuta nahoře, "odškrábané" kousky drátu změřeny na délku (cca 1,3m) a stejnou délkou drátu nově navinuta - počet závitů byl neznámý/nezjistitelný . Trefil jsem se, dokonce jsem nemusel ani hýbat dolaď. kondenzátorem. Šasi je po výměně AZ11 ( půlka nefunkční), EBL21 ( emise cca 30 procent) a EF22 v mf zesilovači (méně než 50 procent) tedy už sladěné a na am rozsazích funkční.
Současně jsem zde provedl úpravu - odstavení oscilátoru na rozsahu GRAMO , ten obvykle harmonickými (DV) ruší do vstupu vkv. K tomu stačí na desce přepínače oscilátoru zrušit spoj kontaktů 4 a 5 (P2´). Trioda ECH21 pracuje na GRAMO v ss režimu s Ug1 0V . Protože má v anodě odpor 30k+5k, nic se jí nestane , změřen její Ia a je 4,1 mA a Ua cca 56V, ztráta na anodě triody je tedy dostatečně malá.
Následovat bude oprava laku , osazení a vestavba destičky s vkv a oprava jednoho prasklého knoflíku . To ale bude pár dní trvat , čím horší počasí, tím to jde rychleji :) .
Přílohy
P9140577.JPG
P9140576.JPG
P9140575.JPG
P9140574.JPG
Milan155
Příspěvky: 460
Registrován: 05.01. 2014, 05:53
Bydliště: severovýchodní Vysočina

Re: Tesla Romance , renovace + vkv

Příspěvek od Milan155 » 02.10. 2020, 19:42

Tak destička vkv oživena a naladěna do pásma cca 86-108MHz . Na 3/4 m drátu náhradní antény čistě cca 20 stanic, samozřejmě mono , stereo zde není třeba. Na obrázku probíhá "doladění" do rozsahu jednak doplňkovými odpory v sérii s ladícím potenciometrem , jednak roztažením závitů cívky oscilátoru . Na druhém obrázku je převod od lad.
kondu na ladící potenciometr. Kolečko na lad. kondu je z 5 mm desky textitu s drážkou na obvodu přilepeno Chemoprenem ( pozor, není zde více místa za ozvučnicí) , druhé je ladící z nějakého tranzistoráku . Protože lad. kond se otáčí o 180 st. a potenciometr o cca 270 st. , měly by být průměry kol v poměru 1,5 : 1 . Je třeba mít ale rezervu na konce dráhy , takže raději o něco méně. Není třeba pérka na provázku , jednak pruží částečně držák kolečka, jednak vzhledem k 180 st. většího kolečka je možné provázek zajistit kapkou vt.lepidla ( na správném konci :) ). Potenciometr je TP160 1k/N a při ladění knoflíkem rádia lze nastavit ladící napětí pro varikap s přesností mV ( pro naladění stanice stačí odchylka desítky mV , zbytek dotáhne AFC). Po vypnutí a zapnutí i po delší době hraje opět naladěná stanice. Nezkoumám dlouhodobou stabilitu v důsledku stárnutí ......K ustavení do rozsahu mám zkušební bastlgenerátor 85-110 MHz s fm 1kHz a čítač na tyto frekvence z ebay. Měření na nebo u cívky destičky není vhodné, cokoliv poblíž oscilátor samozřejmě rozladí . Čili chytám na tu destičku signál z bastlgenerátoru a frekvenci vidím na čítači .
Počítám s tím , že destičku dám pod šasi do oblasti zdířek na gramo .
Takže ještě dodělat bednu a složit to.
Přílohy
P9300579.JPG
P9300578.JPG
Uživatelský avatar
Milan
Příspěvky: 871
Registrován: 04.04. 2012, 19:01
Bydliště: Nýřany

Re: Tesla Romance , renovace + vkv

Příspěvek od Milan » 02.10. 2020, 20:01

Doporučil bych jako "ladící" potenciometr použít spíš TP280 a lepší. U TP160 je někdy problém dobrého styku s jezdce s dráhou... Nezávazně pochopitelně. Já jsem experimentoval s TDA7000, to je též instantní VKV přijímač, ale teprve po doplnění vf zesilovače s BFR91 jsem byl spokojený.
Milan155
Příspěvky: 460
Registrován: 05.01. 2014, 05:53
Bydliště: severovýchodní Vysočina

Re: Tesla Romance , renovace + vkv

Příspěvek od Milan155 » 02.10. 2020, 21:48

TDA7000 a nějakým BFR jsem kdysi také experimentoval. Problém byl v tom, že samotný obvod má malou citlivost a pokud se přidá předzesilovač s nějakým do pásma laděným obvodem s cívkou, má to tendenci ke kmitání atd. Dost mě to potrápilo.
Zkoušel jsem též originál Philips TDA7088 , to už bylo lepší a obešlo se to bez předzesilovače . Nyní používám SC1088, co je čínská kopie TDA7088 , ačkoliv katalogově shodná s Philipsem , zdá se , že je podstatně citlivější ( na ebay kus cca 5,- Kč).
Co se týče potenciometru, mám tu hodně TP280, ale vyšší hodnoty a vše G nebo Y. To se nehodí , malá impedance
(1k) je zárukou menšího indukovaného brumu. TP160 jsem měřil, např. ten zde použitý má odpor sběrač/dráha
mezi 5 a 15 Ohmy , asi jak to uvnitř "šmajdá", tak se mění přítlak. Pro dané použití to nemá žádný vliv, přes sběrač
teče jen reverzní proud varikapu ( KB109G) , což budou nějaké nA . Takže i kdyby byl přechodový odpor třeba 10k,
nebude to mít markantní vliv.
Bál jsem se více stability stabilizátoru , používám LM317l , výstup cca 3,5V, ale stabilita i s teplotou je velmi dobrá.
A když tak mám v záloze snad ještě lepší TL431 . Tož bastlení zdar :) .
Milan155
Příspěvky: 460
Registrován: 05.01. 2014, 05:53
Bydliště: severovýchodní Vysočina

Re: Tesla Romance , renovace + vkv

Příspěvek od Milan155 » 02.10. 2020, 22:16

Možná jako doplněk pro kolegy, jak to vlastně pájím . Ptal se mě kamarád ,jak ten obvod SC1088 v SMD pouzdře
SOP16 pájím, že on na to nic nemá a nezvládl by to . Nemám nic jiného než pistolku 90VA ( vnitřek starý skoro jako já, bakelit asi 5x měněný, jak to občas spadlo) . Ten obvod podle dostupných info je bipolární , takže není tak ohrožen. Pistolka je stará, ale izolační odpor je přes 5000 MOhm při 1000V ss. Navíc tyhle "čudlíčky" pájím s tou pistolkou zapojenou na odděl. trafo , které má v primáru žárovku 100W , aby se tenké spoje a cín nepřepalovaly.
Smyčku mám cca 5 cm z drátu 0,5mm . Obvod do desky pájím jako první , dokud je přístup ze všech stran a je to kloudně vidět. Spoje pod obvodem musí být velmi tence pocínovány bez hrbů a přetoků. Pak na to nanesu roztok kalafuny v lihu , dám ten obvod a jehlou jej přesně umístím . Zapájím jednu krajní nožičku a kontroluji polohu, popř. dorovnám, no a pak opřenou rukou dopájím zbytek nožiček . Chce to velmi dobré světlo. Nakonec se to omyje lihem a lupou prohlédne. No na pájení nějakých FETů typu KF520 ap. to není ,tam se stačí pohnout na židli a je po něm, ale zatím jsem problém poničení obvodů při pájení neměl .
Milan155
Příspěvky: 460
Registrován: 05.01. 2014, 05:53
Bydliště: severovýchodní Vysočina

Re: Tesla Romance , renovace + vkv

Příspěvek od Milan155 » 05.10. 2020, 16:49

Tak hotovo, hraje to moc pěkně, přece jenom "elektronkový" zvuk v relativně velké dřevěně skříni je něco jiného než umělohmotní chrchlouni. Navíc rozměrné kovové šasi tvoří protiváhu drátové antény ( délky cca lambda/4) a zlepšuje tak příjem. Destička je umístěna v prostoru svorek na gramo a upevněna přiletováním podloženého stínícího plechu k okolním přepážkám a šasi. Všechny kablíky krom toho k lad.potenciometru jsou stíněním spojeny na obou stranách , napájení vede od žhavení nf EF22, nf signál je připojen na kontakt přepínače rozsahů gramo. Vodič k anténní zdířce je ve dvou izol. trubičkách k zmenšení kapacity vůči kostře . Na anténní zdířce je signál z antény "rozbočen" - přes 18p/500V na vkv vstup a přes vzduchovou tlumivku cca 400 nH na am vstup+odlaďovač . Namísto obvyklého paralelního lad. obvodu u SC1088(TDA7088) se mi více osvědčila horní propust , která má kolem 95MHz převýšení cca 8-10dB (neměřeno, simulováno v RFsim). Poslechově se zdá, že to funguje , standartní obvod málo tlumí rušení zvenku i popř. z vlastního oscilátoru am.
Pokud by někdo chtěl schema a podklady pro pl.spoj ( jsou v sprintlayout, lze zdarma stáhnout viever, který umožňuje jejich prohlížení a tisk) , pošlete mi prosím SZ.
Nakonec jsem "v teplém stavu" změřil dotykový proud na přístupných svorkách , je cca 0,22- 0,25 mA v obou polohách vidlice a tudíž izolace je ok.
Přílohy
PA030580.JPG
PA030581.JPG
PA030582.JPG
PA030585.JPG
PA030584.JPG
PA030583.JPG
Milan155
Příspěvky: 460
Registrován: 05.01. 2014, 05:53
Bydliště: severovýchodní Vysočina

Re: Tesla Romance , renovace + vkv

Příspěvek od Milan155 » 05.10. 2020, 19:21

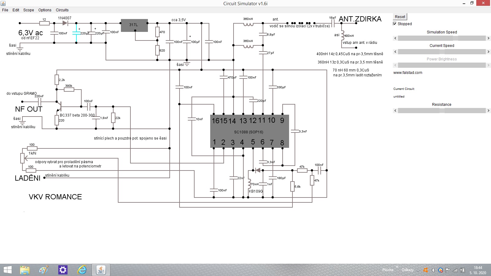
Několik kolegů projevilo zájem o podklady, ale já jsem asi přecenil své schopnosti korektně to distribuovat. Schema ( omluvte značky, kreslím si to v simul.programu falstad) a pohled na desku ze strany součástek dávám sem.
Upozorňuji, že obvod SC1088 je pájen ze strany spojů ( na straně součástek jej není na co pájet :) ). Tlumivky 360nH a 400 nH nejsou kritické ani na průměr drátu ani přesnost , ladí se jen oscilátorová cívka podle varikapu a napětí z lad. potenciometru , bez čítače to jde, ale hodně blbě. Cívky jsou po oživení zakápnuty trochou izol.laku, aby se moc neklepaly s ozvučnicí . Používám oblíbený S1002.
Viever na desku umožňující tisk desek z různých pohledů, zrcadlením ,pomnožení atd. je zde:
https://www.electronic-software-shop.co ... -software/. Je to exe soubor a zřejmě se to odehrává přímo na jejich serveru. Můj soubor desky ......lay6 vám k tomu musím ale poslat jedině mailem, sem to dát nejde . Tuším problémy, když tak se ozvěte :) .

No papír je papír, koukám, že na desce chybí osazení kondu 10n blokujícího napájení obvodu, bez něj to chrchlá.
Dírky na desce jsou poblíž vývodů 4 a 14 . Dále vidím chybné označení obvodu, má být SC1088, uvedený je ale to samé . Tak sorry, bude toho asi víc.
Přílohy
pohled ze strany součástek oprav..JPG
Schema VKV Romance.jpg
Naposledy upravil(a) Milan155 dne 07.10. 2020, 18:47, celkem upraveno 1 x.
Pepa
Příspěvky: 35
Registrován: 16.02. 2017, 21:14

Re: Tesla Romance , renovace + vkv

Příspěvek od Pepa » 07.10. 2020, 16:04

Dobrý den, Milane,

nádherná práce, jako vždycky. Gratuluji a obdivuji :thumbsup:

Zaujala mě ta destička. Super nápad. Už dříve jsem něco takového hledal na ebayi, ale všechno jsou to přijímače s tlačítky a aut. laděním. 1088 jsem si objednal hned, jak se to tu objevilo, netroufal jsem si napsat o plošák. I popisů s laděním je málo. Našel jsem jediné kloudné toto:
http://electronics-diy.com/fm-radio-rec ... da7088.php
kde mají i plošák. Našel jsem i ladění otočným C, ale ladění varikapem jsem nemohl najít, jen AFC.

Tak ještě jednou děkuji i za návrh DPS.
Milan155
Příspěvky: 460
Registrován: 05.01. 2014, 05:53
Bydliště: severovýchodní Vysočina

Re: Tesla Romance , renovace + vkv

Příspěvek od Milan155 » 07.10. 2020, 17:42

Rád dám k dispozici podklady pro plošný spoj , tj. vlastní spoj a osazovák . Vidím dvě možnosti :

1. Kdo mi dá e-mail , tomu pošlu kompletní soubor ...lay6 , kde je vše . Otevře-li si pak na výše uvedeném odkazu viever pro layout, může si perfektně vytisknout co potřebuje ( vrstva K1 jsou spoje na straně součástek, B1 jsou součástky a popisy na straně součástek, K2 jsou spoje "na straně spojů" a B2 jsou popisy a součástky na straně spojů).
Při tisku je možné libovolně to co chci z vrstev kombinovat , čili pro plošňák zde potřebuji vytisknout vrstvu K2 bez zrcadlení , pokud budu dělat desku nažehlením , měnit rozměry, zrcadlit atd.

2. Mohu z jednotlivých vrstev udělat kopii stránky jako třeba jpg či jiný formát , nikoliv však pdf , to neumím .
Nevím ovšem, jak to pak dopadne s rozměry vůči skutečným , většina si s tím však snad poradí, ví-li, že obrys 55x50 mm.

Takže kdo má zájem , dejte vědět, nějaký znalec by snad poradil, jaký formát kopie stránky dle bodu 2 je nejvhodnější ( mně to jde třeba ve Wordu , tj. myslím nastavení absolutních rozměrů obrázku v mm ) .
Yumi
Příspěvky: 28
Registrován: 29.10. 2014, 23:52

Re: Tesla Romance , renovace + vkv

Příspěvek od Yumi » 11.10. 2020, 14:06

Prosím pošli mi podklady na VkV na adresu: jursa_m@seznam.cz
vopred Ďakujem! Milan tiež.
Odpovědět