neznámé obvody Tesla

Vše o součástkách, i celých obvodech
houmr
Příspěvky: 163
Registrován: 13.07. 2017, 21:04

Re: neznámé obvody Tesla

Příspěvek od houmr » 11.03. 2026, 07:44

Tyhle hybridy s počátečním písmenem W byly skutečně převážně jednoúčelové a v běžném katalogu nedohledatelné. Měl jsem např. radiostanici PR41, kde jich bylo možná 10. Výrazně to šetřilo místo.
keszeg
Příspěvky: 49
Registrován: 17.10. 2011, 17:13

Re: neznámé obvody Tesla

Příspěvek od keszeg » 11.03. 2026, 13:01

to houmr: existuje katalog Tesla hybridní integrované obvody 1983, kde právě W typů je haba-děj.
Florian
Příspěvky: 9
Registrován: 29.11. 2025, 18:40

Re: neznámé obvody Tesla

Příspěvek od Florian » 11.03. 2026, 15:25

Take mam nekolik novych hybridu tesla WNB 068,ktere jsou vyhotoveny na bile keramicke desticce s 15 vyvody.
Take netusim o co jde.Katalog Tesla č.5 1989 uvadi jen WNB 066.Tak asi neco novejsiho,ale informace chybi...
Uživatelský avatar
Jirka84835751
Moderátor
Příspěvky: 1019
Registrován: 17.10. 2011, 18:51
Bydliště: U Mohelnice dál od Olomouce
Kontaktovat uživatele:

Re: neznámé obvody Tesla

Příspěvek od Jirka84835751 » 12.03. 2026, 12:49

Není ani u :
http://jirky.webz.cz/index.php?page=seznam-hybridni-io
Je to asi nějaká zakázková kusová "věc". V čem je umístěný?
lubos1961
Příspěvky: 87
Registrován: 23.12. 2014, 21:01

Re: neznámé obvody Tesla

Příspěvek od lubos1961 » 13.03. 2026, 08:57

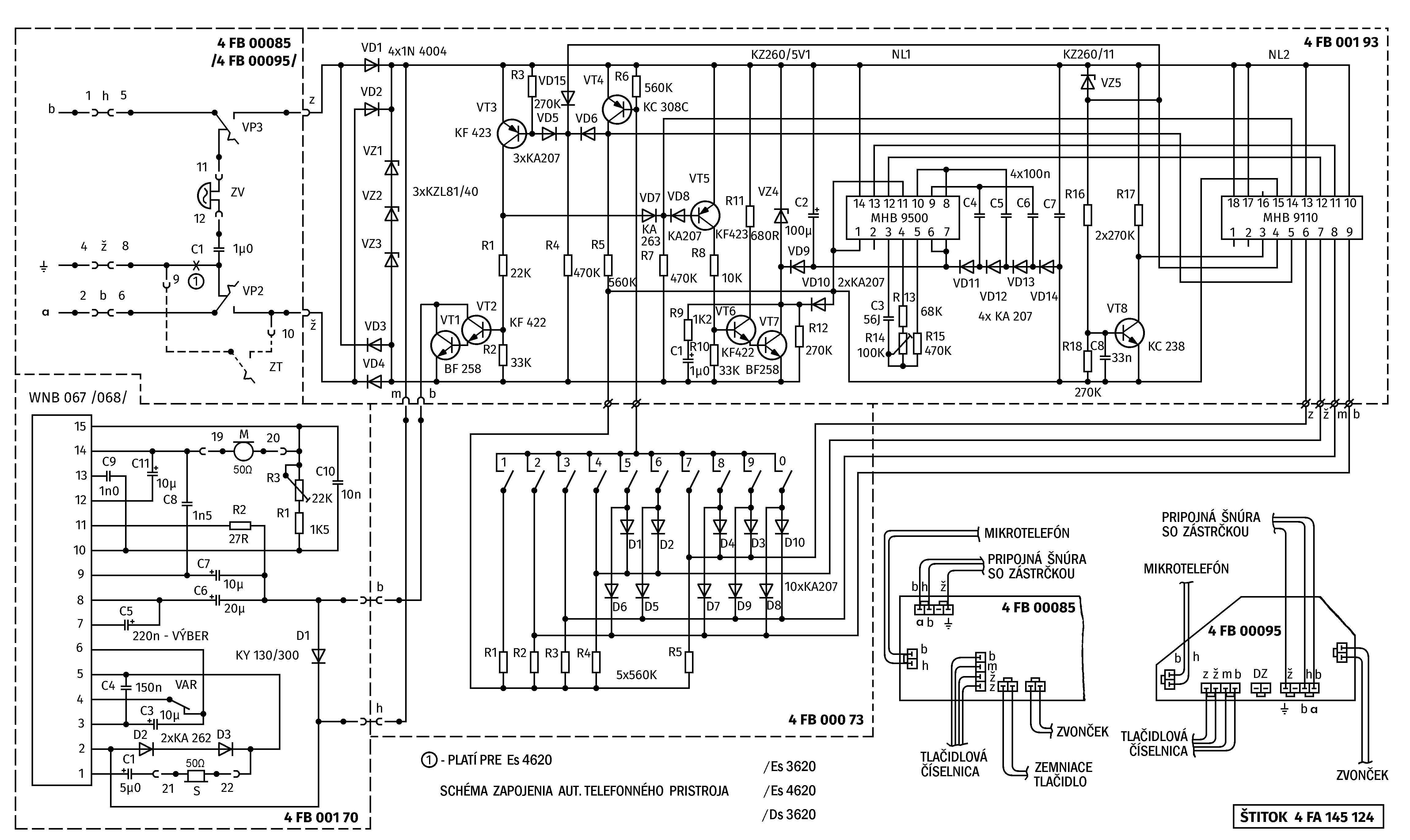
Obvody WNB 067 a WNB 068 jsou součásti Tesla telefonů
Přílohy
ES 5850.jpg
Ds 3600- sluchatko.jpg
DS 3620 - Ds4620.png
Florian
Příspěvky: 9
Registrován: 29.11. 2025, 18:40

Re: neznámé obvody Tesla

Příspěvek od Florian » 14.03. 2026, 15:10

Diky Lubosi,to bude ono.Alespon vim z ceho to je.
JardaXor
Příspěvky: 6
Registrován: 17.10. 2012, 00:38

Re: neznámé obvody Tesla

Příspěvek od JardaXor » 06.04. 2026, 18:37

Petr Fridrich píše:
06.03. 2026, 11:03
Tak mne napadá, jak by bylo hezké udělat virtuální muzeum IO Tesla...
Proc virtualni? Vetsinu mam ulozenou v platu s oznacenim Tesla a prebytky jsou v tubach... :D
Uživatelský avatar
Petr Fridrich
Příspěvky: 67
Registrován: 25.06. 2016, 01:28

Re: neznámé obvody Tesla

Příspěvek od Petr Fridrich » 06.04. 2026, 21:10

no protože každý z nás má nějaké, které ostatní nemají nebo neznají, něco jako https://www.radiomuseum.org/dsp_tubeSea ... cvalue=701
Odpovědět