Návod a schéma na radio Koyo KTR-1022-C
Návod a schéma na radio Koyo KTR-1022-C
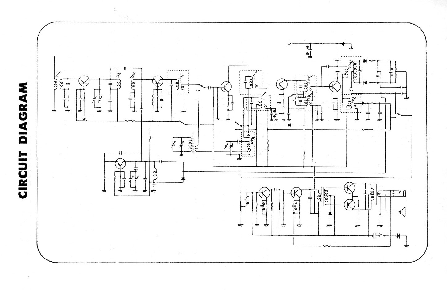
Kdyby někdo chtěl, tak sem dávám scan návodu na rádio KOYO, viz výše. Třeba by se někomu mohlo hodit. Mám doma originál návod i to rádio. Honza.W
P.S. Koukám, že to schéma je otočené, tak se omlouvám.
Oprava : už je OK - opravil Jirka84835751
P.S. Koukám, že to schéma je otočené, tak se omlouvám.
Oprava : už je OK - opravil Jirka84835751
- Jirka84835751
- Moderátor
- Příspěvky: 998
- Registrován: 17.10. 2011, 18:51
- Bydliště: U Mohelnice dál od Olomouce
- Kontaktovat uživatele:
Re: Návod a schéma na radio Koyo KTR-1022-C
JENDO!
Ani náhodou jsem si nemyslel, že bude tak krátká doba...
a Tvoje přání se stane skutkem (Třeba by se někomu mohlo hodit). Nejprve jsem teda otočil přílohy, abych je byl schopen přelouskat.
Včera (25.2.) v podvečer (kdy jindy je mě taky možné zastihnout ?) přišel soused, že mu přestalo hrát Jeho japonské rádiječko , které má ještě z doby socialismu. "tady ho máš do své sbírky..." a chtěl odejít. Tak aby řeč nebyla jen tak strohá, "tak pojď do sklípku.." byla moje odpověď a že vím o schematu a můžu mu ho zprovoznit - "už nee, nech si ho.." a nakonec byl rád, že jsem "vetešník", co má přehled i ve slepě a v regálu, kde mám "něco na játra". Samozřejmě jsem mu vysvětlil, že jsou vypnuté ČR vysílače.
Takže jsem se ráno dal do očisty a zprovoznil i díky Tvému příspěvku. Vím, že někteří se ohradí nad ním, ale hraje opět jako za mlada a je dokonce pěknější než dnešní šmejdy z CE. Jenom přemýšlím nad úpravou pro CCIR. Popis (hodnoty) součástek asi není k dispozici, že ?
Toš tak asi vypadalo dopoledne....Díky za přílohy...
Ani náhodou jsem si nemyslel, že bude tak krátká doba...
a Tvoje přání se stane skutkem (Třeba by se někomu mohlo hodit). Nejprve jsem teda otočil přílohy, abych je byl schopen přelouskat.
Včera (25.2.) v podvečer (kdy jindy je mě taky možné zastihnout ?) přišel soused, že mu přestalo hrát Jeho japonské rádiječko , které má ještě z doby socialismu. "tady ho máš do své sbírky..." a chtěl odejít. Tak aby řeč nebyla jen tak strohá, "tak pojď do sklípku.." byla moje odpověď a že vím o schematu a můžu mu ho zprovoznit - "už nee, nech si ho.." a nakonec byl rád, že jsem "vetešník", co má přehled i ve slepě a v regálu, kde mám "něco na játra". Samozřejmě jsem mu vysvětlil, že jsou vypnuté ČR vysílače.
Takže jsem se ráno dal do očisty a zprovoznil i díky Tvému příspěvku. Vím, že někteří se ohradí nad ním, ale hraje opět jako za mlada a je dokonce pěknější než dnešní šmejdy z CE. Jenom přemýšlím nad úpravou pro CCIR. Popis (hodnoty) součástek asi není k dispozici, že ?
Toš tak asi vypadalo dopoledne....Díky za přílohy...
Re: Návod a schéma na radio Koyo KTR-1022-C
Ahoj Jirko,
někdy, některé věci mají prostě svůj čas a tak to mé schéma přišlo sem zrovna v tu dobu, co potřebuješ
No, mě na FM hrají stanice, asi nějaké zrcadla. Tehdy, když jsem rádijko získal, tak tento dokument jsem k němu neměl a asi jsem něco někde stáhnul z netu, ale to jsem nenašel, takže mám jen to co jsem poslal. Nic jiného k němu zatím nemám, takže jaké součástky to jsou, jedině pitva přijímače.
Našel jsem na radiomuseum.org vyšší verzi 1024, která je už na normu CCIR, tak jsem to stáhnul, jestli by Ti to k něčemu bylo. Není to velká kvalita, ale aspoň něco. Pošlu to do meilu. Honza.
někdy, některé věci mají prostě svůj čas a tak to mé schéma přišlo sem zrovna v tu dobu, co potřebuješ
No, mě na FM hrají stanice, asi nějaké zrcadla. Tehdy, když jsem rádijko získal, tak tento dokument jsem k němu neměl a asi jsem něco někde stáhnul z netu, ale to jsem nenašel, takže mám jen to co jsem poslal. Nic jiného k němu zatím nemám, takže jaké součástky to jsou, jedině pitva přijímače.
Našel jsem na radiomuseum.org vyšší verzi 1024, která je už na normu CCIR, tak jsem to stáhnul, jestli by Ti to k něčemu bylo. Není to velká kvalita, ale aspoň něco. Pošlu to do meilu. Honza.
- Jirka84835751
- Moderátor
- Příspěvky: 998
- Registrován: 17.10. 2011, 18:51
- Bydliště: U Mohelnice dál od Olomouce
- Kontaktovat uživatele:
Re: Návod a schéma na radio Koyo KTR-1022-C
Jendo,
"leteckou" kontrolou po stažení to vypadá stejně. Podařilo se mi dokonce "proladit" C trimrem do CCIR a dokonce 88-100MHz. Citlivost rozumná na to zapojení. Víc není třeba do sbírky.
Díky
"leteckou" kontrolou po stažení to vypadá stejně. Podařilo se mi dokonce "proladit" C trimrem do CCIR a dokonce 88-100MHz. Citlivost rozumná na to zapojení. Víc není třeba do sbírky.
Díky
Re: Návod a schéma na radio Koyo KTR-1022-C
Ahoj Jirko, tak to jsem rád, že se Ti to podařilo dát do hrajícího stavu. Hned mám dobrý pocit, že jsem mohl někomu pomoci
No a jak to vypadá s Condorem
Honza.
