Tesla 315 Sonatina

Vše okolo historických rádií
Mourek
Příspěvky: 26
Registrován: 01.09. 2020, 09:32

Tesla 315 Sonatina

Příspěvek od Mourek » 17.02. 2021, 10:47

Dobrý den,
rádio z pozůstalosti, skladováno od zakoupení v bytě, v původním stavu. Nyní vyměněny kondenzátory (C 23, 24, 25, 26, 27, 28, 29, 30, 31, 34, 35), tedy vše kromě vf obvodů. Dále vyměněny rezistory R9, 10, 12, 15 a nf stíněné vodiče. Nově za kvalitní mikrofonní stíněnou dvojlinku. Ostatní rezistory proměřeny, vč. R16 u výstupního trafa - vše v toleranci. Vyměněna i PCL82 za úplně novou. Rádio hraje, avšak je slyšet výrazný brum asi 50 Hz. Brum se ztratí když je knoflík tónové clony vytočen zcela vpravo, do nejvyšších výšek. Tím je zároveň 0 V stejnosměrných na řídící mřížce pentody koncové PCL82. Když je clonou zatočeno doprostřed nebo doleva, jde do mřížky pentody kladných cca 9 V. Dle technické specifikace PCL82 by tam ale mělo jít záporných cca 11 V, čehož ale nemohu dosáhnout. Katodový odpor R10 vyměněn, je na něm kladných 9V dle schématu. Během provozu navíc samo klesá anodové napětí triody PCL82 a narůstá kladné na mřížce pentody. Oba potenciometry (clona i hlasitost) rozebrány, vyčištěny a proměřeny, oba v pořádku. Žhavící napětí do PCL82 je 19 V (místo předpisových 16 V).
Plošný spoj očištěn, výstupní trafo proměřeno, matné spoje propájeny, už nevím kde by mohla být chyba.
Průběh točení tónovou clonou je zvláštní, z levé strany brum po téměř celém rozsahu, až cca centimetr před koncem vpravo, kdy se napětí na mřížce pentody blíží k nule, se projeví změna, přestane vrčet a výšky výrazně dominují přednesu.
Některé kondenzátory měněny i opakovaně, aby se vyloučily vadné kusy (C 26, 27, 28). Nově vyměněné jsou slídové na 300 V). Rádio hraje poměrně hlasitě i při nejmenší hlasitosti (regulátor zcela vlevo).

Prosím o radu, pokud Vás něco napadá. Děkuji.
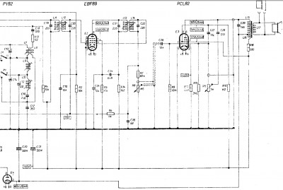
Celé schéma zde http://www.oldradio.cz/ts315.htm
Přílohy
315.jpg
Milan155
Příspěvky: 460
Registrován: 05.01. 2014, 05:53
Bydliště: severovýchodní Vysočina

Re: Tesla 315 Sonatina

Příspěvek od Milan155 » 17.02. 2021, 11:49

Tipl bych si na C28 , ale ten jsi měnil - zkus jej změřit na napětí stovky V na svod/průraz . Jinak bych překontroloval R15 a po vyjmutí elektronky vyšším napětím také svody mezi spoji a piny elektronky, i za cenu nutnosti odpojení některých součástek. Svody v patici jsou sviňa, člověk je líný vše kolem odpojovat a jinak to nezměří :) . Tady bych se v důsledku mizerného materiálu na plošný spoj a velkému místnímu oteplení od PCL mírnému prohoření spojů nebo patice ani nedivil. Také nelze vyloučit zkrat v PCL po zahřátí .
Mourek
Příspěvky: 26
Registrován: 01.09. 2020, 09:32

Re: Tesla 315 Sonatina

Příspěvek od Mourek » 17.02. 2021, 12:31

Měření svodu / průrazů pro mě moc není, nevím jak se to dělá a mám jen trafopájku a multimetr. Je pro mě snazší měnit i nové součástky, což jsem už udělal. R15 má nově hodnotu 1M8 (místo 2M2), to by ale nemělo vadit. Horko tam je od PCL dost, patice ale vypadá dobře, jako nová. PCL mám tu původní, ta má vyšší napětí na katodě pentody cca 15 V a pak novou, ta má na katodě těch předpisových 9 V. Cín na patici PCL jsem odsávačkou odebral, a nově propájel. Desku jsem očistil isopropylem, šroubovákem proškrábnul spoje blízko sebe, proměřil ohmmetrem námátkou co se dalo. Na řídící mřížce pentody má tedy být správně záporné napětí? U mě bohužel není.
Četl jsem o několika opravách T315, kolikrát vytažených ze stodol a garáží. Tohle je z bytu, vzhledově jak nové, i vevnitř, a taková záhadná závada. :|
Uživatelský avatar
Milan
Příspěvky: 871
Registrován: 04.04. 2012, 19:01
Bydliště: Nýřany

Re: Tesla 315 Sonatina

Příspěvek od Milan » 17.02. 2021, 12:47

Pokud klesá během provozu napětí na triodě, tak bych to viděl naprosto jasně n vadnou PCL82, mřížková emise. Je nová PCL82 skutečně nepoužitá ? Jaký je to výrobce, POLAMP ? Není k dispozici ještě jedno funkční rádio s touto elektronkou pro vyzkoušení ?
Oba potenciometry proměřit Ohmetrem, dát sem fotku vyměněných kondenzátorů ať je zřejmé co jsi tam zapájel. Některé straší slídové kondenzátory mohou mít svod. Používej spíš osvědčené TC207 jako vazební, pro tónovou clonu pak keramický nebo slídový - nový, zastříknutý, na 500V.
Mourek
Příspěvky: 26
Registrován: 01.09. 2020, 09:32

Re: Tesla 315 Sonatina

Příspěvek od Mourek » 17.02. 2021, 13:44

Snad nebudou vadit odkazy:
C 26, 27 https://hadex.cz/j307-10n630v-tc218-svi ... ndenzator/
C 28 https://hadex.cz/j158g-510pf300v-wk7141 ... ndenzator/
C 29 https://www.vpcentrum.eu/1n5-630v-tc356 ... i-rm-7-5mm
C 30, 31 https://hadex.cz/i548a-47u400v-105-15x2 ... -radialni/

Slídový 1n5 v provedení TC356 se dívám není nikde k sehnání, jde o C 29. V něm chyba ale snad být nemůže. Je ale zvláštní, že ho všude (a obecně TC356) vyřazují z nabídky. Mám jich pár v zásobě a použil právě jako C 29. Je na 630V.
http://teslakatalog.cz/TC356.html

U té původní PCL82 klesá napětí na triodě a vzrůstá na mřížce pentody, jak jsem psal. Zároveň roste napětí na katodovém odporu až někam k 15 V.

U té nové polské PCL82 napětí odpovídá schématu, na řídící mřížku pentody jde 0 V, jen do doby zatočení clonou doleva, pak i tam je kladné napětí. Elektronek PCL mám celkově: 1) původní, 2) novou polskou, 3) dvě ruské nové. Tyt nové jsem tam moc nechtěl dávat, když jde na mřížku kladné napětí. Vyzkoušel jsem proto jen tu jednu polskou.
Další rádio pro ověření PCL82 nemám. Vyměňované odpory jsem dimenzoval na 2W popř. 1W.

Spíše mě napadá zkoušet zpět připájet původní kondenzátory C26, 27, 28. Před výměnou jsem totiž neměřil napětí na řídící mřížce pentody a jak fungovala clona si také nevzpomínám. Ale rádio před výměnou součástek také vrčelo a clona byla vždy uprostřed.
Milan155
Příspěvky: 460
Registrován: 05.01. 2014, 05:53
Bydliště: severovýchodní Vysočina

Re: Tesla 315 Sonatina

Příspěvek od Milan155 » 17.02. 2021, 14:08

Napiš prosím tě přesně, jak měříš to napětí na g1 pentody , tj. kam máš připojen + měřáku a kam - . Napětí na
g1 totiž "nepřichází" , ale je tvořeno úbytkem napětí na odporu v katodě pentody , který ovšem jak píšeš , je předepsaných 9V . Kdyby totiž měla g1 napětí mezi nulou a + xV , pak by nemohl být na odporu v katodě správný úbytek 9V, protože by se lampa škvařila a výstupák by smrděl. O tom však nic nepíšeš , takže někde je pravděpodobně chyba v měření.
Mourek
Příspěvky: 26
Registrován: 01.09. 2020, 09:32

Re: Tesla 315 Sonatina

Příspěvek od Mourek » 17.02. 2021, 15:41

Napětí na g1 pentody: multimetr přepnut na stejnosměrný rozsah, kladná sonda na vývod č. 3 PCL82, tedy např. na horní konec R15, R11 nebo spodní konec C27. Záporná sonda na kostru rádia, tj. šasí, nebo např. spodní konec R9, R10, R11, R15 ... Rádio zásadně zapojuji do sítě natočením vidlice tak, aby fáze nebyla na kostře. Oddělovací transformátor doma nemám. Při tomto měření multimetr ukazuje kladné napětí cca 9V. To když je clona vytočena vlevo (to rádio vrčí). Když vpravo, ukazuje 0V a rádio nevrčí. Děje se tak s oběma elektronka - původní i nová polská. Ta nová polská má jen tu výhodu, že má v katodě naměřených 9V a během provozu napětí v anodě triody je stabilní tuším kolem 60 V.
Milan155
Příspěvky: 460
Registrován: 05.01. 2014, 05:53
Bydliště: severovýchodní Vysočina

Re: Tesla 315 Sonatina

Příspěvek od Milan155 » 17.02. 2021, 17:27

Vypadá to na zkrat katody a g1 pentody buď v elektronce, nebo v patici či spojích kolem . Vypni , nech vybít elyty, vyndej elektronku a změř odpor mezi vývody 2 a 3 samotné elektronky. Pak změř odpor mezi piny 2 a 3 na patici při vytočených výškách na doraz na obě strany a všechny tři hodnoty sem dej.
Mourek
Příspěvky: 26
Registrován: 01.09. 2020, 09:32

Re: Tesla 315 Sonatina

Příspěvek od Mourek » 17.02. 2021, 17:39

původní elektronka mezi piny 2 a 3: nekonečný odpor
nová polská elektronka mezi piny 2 a 3: nekonečný odpor

odpor na patici mezi piny 2 a 3:
clona vytočená vlevo: 486,1 KΩ
clona vytočená vpravo : 486,1 KΩ

clona uprostřed: 486,8 kΩ
lubos1961
Příspěvky: 85
Registrován: 23.12. 2014, 21:01

Re: Tesla 315 Sonatina

Příspěvek od lubos1961 » 18.02. 2021, 12:50

Mě to připadá že to kmitá. Vyzkoušej zvýšit kondenzátor C29 na 5 až 10k. Mělo by to pomoci. Popřípadě kondenzátor C28 odpojit, já bych jej takto ani nezapojoval, také co to má dělat když je výstupní signál z anody sveden na vstup g1 už dost velkou kapacitou. U ostatních typů radií již to takto ani nezapojovali. Já bych zapojil tónovou clonu tak, že kondenzátor 2k2 bych z běžce potenciometru zapojil na zem.
Odpovědět