Philips 855a schéma
Philips 855a schéma
Dobrý den,
nemá někdo schéma od tohoto rádia? Nebo aspoň jak zapojit přívodku síťové šňůry.
Všude, včetně Baudyše, je jen 855X.
Dík
nemá někdo schéma od tohoto rádia? Nebo aspoň jak zapojit přívodku síťové šňůry.
Všude, včetně Baudyše, je jen 855X.
Dík
Re: Philips 855a schéma
Zkusil bych jít od trafa k přívodce a vysledovat na které piny trafo vede a tam pak připojit síť. Ale jestli to rádio bylo někde na půdě či jinde bez provozu, nebude dobré ho bez proměření součástek zapínat. Mohlo by dojít k poškození, případně požáru. Všude se o tom píše.
Re: Philips 855a schéma
No, tak se nad tím zamyslete, proč asi. Není náhodou shodné? Já bych vzal to Xkové a šel po zapojení. 
Re: Philips 855a schéma
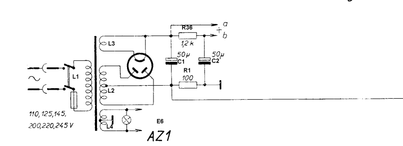
První pohled na X-kové schéma je síť pojistka trafo. Na A je přívodka se šesti kolíky, tak to asi bude trochu jinak....
Re: Philips 855a schéma
Tak té první větě nějak nerozumím.... Asi "vypadl" vypínač, že? Ale, jde Vám o co, o napájení, či o celé radio? Toto radio nemám, leč: při pohledu na schéma typu X vidím na primáru 1 přívod a 5 odboček. Ano, ODBOČKY nejsou zakreslené, ale vlevo dole je JASNÝ popis, ČÍM lze napájet trafo.Tedy 6 "pinů", tak jakýpak rozdíl? Ohmetr do ruky a není co řešit. Z nabízených voleb bych vzal těch 245 V. A co takhle dát sem foto? Bylo by možná rázem jasno. Jinak Jan55 to napsal dost polopaticky, tak kde je ten problém? Takže buď foto nebo pořádně popsat stav věci, možná tam byl nějaký dřívější zásah a podobně. Schéma X je v příloze, použité schema je ze stránek http://www.oldradio.cz/rad20.htmfitor píše:První pohled na X-kové schéma je síť pojistka trafo. Na A je přívodka se šesti kolíky, tak to asi bude trochu jinak....
Re: Philips 855a schéma
Ještě bych dodal, že přijímače 855A a 855X mají stejná schéma zapojení, nástrčka pro změnu sítě AC/DC se však ve schématech hledá blbě. Přijímač mám ve sbírce také http://www.radiohistoria.sk/Oldradio/ma ... id/0001623
K té nástrčce, je potřeba zkontrolovat, že v přijímači nebyl proveden žádný amatérský zásah dřívějším opravářem !
K té nástrčce, je potřeba zkontrolovat, že v přijímači nebyl proveden žádný amatérský zásah dřívějším opravářem !
Re: Philips 855a schéma
@Milan,
díky za obrázek, je to pro kluka 13 let, tak bych nerad aby experimentoval
díky za obrázek, je to pro kluka 13 let, tak bych nerad aby experimentoval
Re: Philips 855a schéma
Jinak Jan55 to napsal dost polopaticky, tak kde je ten problém?
Heptodo, děkuji
Heptodo, děkuji
Re: Philips 855a schéma
A jinak je všechno zbytečné, stejně si ten dotyčný to rádio bude zapojovat, nepomůže nic. Všichni to známe, že ?
Asi jako v tomto případě : https://www.youtube.com/watch?v=2YU7rCqzHW0
