Radio BRAUN TS1
Re: Radio BRAUN TS1
Kľudne tam dám väčší odpor ak by bolo treba. Len najskôr sa pozriem na ten kondenzátor C81.
Re: Radio BRAUN TS1
Napätie na odpojenom vývode kondenzátora C81 pekne klesalo až na nejaké preskakujúce milivolty. Tak som ho vymenil za rovnaký typ 27nF/630V čo malo rovnaký efekt. Môj multimeter nevie ukázať rovnú nulu, iba keď vyskratujem meracie káble.
Katódové napätie na EL84 som teraz nameral 6,9V. Vždy to meriam rovnakým multimetrom, rovnakým spôsobom... Elektrónka pri vypnutí rádia a chladnutí niekoľko krát praská takým skleneným, cinkavým zvukom.
Čo som však ešte spozoroval, je to, že keď otočím potenciometrom hlasitosti zhruba na 30 percent celého rozsahu, tak hlasitosť na hlavnom reproduktore je taká vysoká, že viac mi už netreba. Podotýkam ale, že výškové reproduktory nemám pripojené, zostali zatiaľ v skrinke a anténu mám pripojenú len ako 1 kus 2m drôtu. Zisk je dosť silný (nie že by som sa sťažoval). Keď som si rádio priniesol, tak malo dorobený vypínač na tento hlavný reproduktor, čo je vidieť na fotografiách v úvode príspevku. Akoby niekomu prekážal vysoký výkon...
Katódové napätie na EL84 som teraz nameral 6,9V. Vždy to meriam rovnakým multimetrom, rovnakým spôsobom... Elektrónka pri vypnutí rádia a chladnutí niekoľko krát praská takým skleneným, cinkavým zvukom.
Čo som však ešte spozoroval, je to, že keď otočím potenciometrom hlasitosti zhruba na 30 percent celého rozsahu, tak hlasitosť na hlavnom reproduktore je taká vysoká, že viac mi už netreba. Podotýkam ale, že výškové reproduktory nemám pripojené, zostali zatiaľ v skrinke a anténu mám pripojenú len ako 1 kus 2m drôtu. Zisk je dosť silný (nie že by som sa sťažoval). Keď som si rádio priniesol, tak malo dorobený vypínač na tento hlavný reproduktor, čo je vidieť na fotografiách v úvode príspevku. Akoby niekomu prekážal vysoký výkon...
Re: Radio BRAUN TS1
Změř rovnou ten stejnosměrný anodový proud, ať máš jistotu, kolik tam teče.
-
- Příspěvky: 263
- Registrován: 30.06. 2013, 20:41
- Bydliště: Very Stupid District (hned vedle okresu Postřižiny)
Re: Radio BRAUN TS1
Anodový proud 41 mA je sice podle katalogu ok, ale pokud tu EL84 nechceš trápit tak velkým proudem, tak dej větší katodový odpor a jdi na těch typických 36 mA. K té velké hlasitosti - změř odpor jednotlivých úseků odporové dráhy i její celkový odpor 1,4 MOhm, zkus jak se to chová, když měříš na jezdci potenciometru a pohybuješ s ním (na tohle měření je lepší analogový měřák), zkontroluj součástky fyziologické regulace hlasitosti, zejména C 73, jestli nemá svod, a hlavně pak spojení studeného konce dráhy potenciometru se zemí.
Re: Radio BRAUN TS1
Ano potenciometr...
Analogový ohmetr a nevim jak je to u německych výrobku, ale u takto starých TESLA potenciometrů je potřeba takřka vždy je rozebrat.
Analogový ohmetr a nevim jak je to u německych výrobku, ale u takto starých TESLA potenciometrů je potřeba takřka vždy je rozebrat.
Re: Radio BRAUN TS1
Potenciometer som rozobral a vyčistil, kondenzátor C73 som vymenil.
Naposledy upravil(a) M.M. dne 23.11. 2023, 09:06, celkem upraveno 2 x.
Re: Radio BRAUN TS1
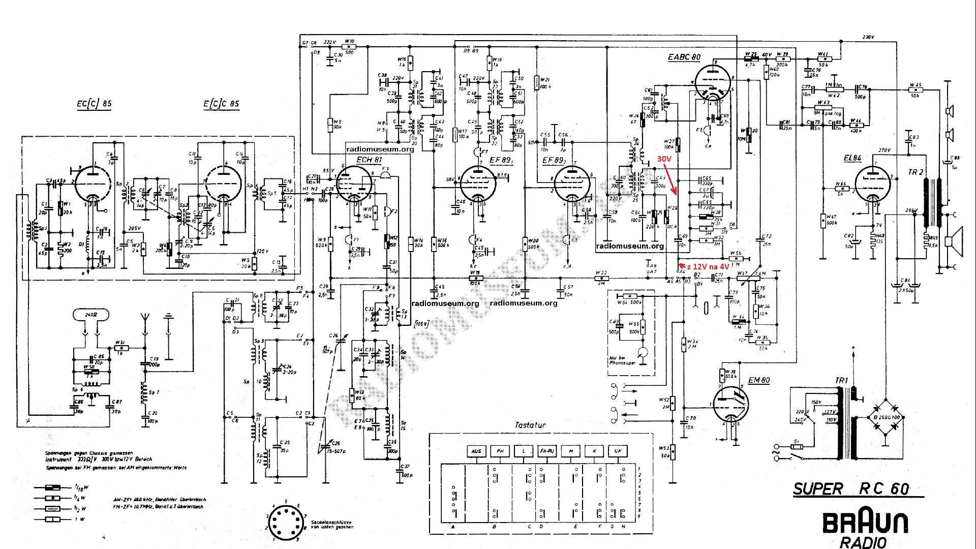
Pri poslednom teste som zistil, že síce signál/ zvuk je možné naladiť pekne do čista, ale je problém s osvitom na EM80. Robil som test s inými elektrónkami ECC85, EF89, EM80 a problém s osvitom EM80 pretrvával. Správa sa to tak, že po naladení silnej stanice na VKV sa zobrazí plný osvit a postupne samovolne klesne asi na tretinu pričom signál z reproduktora je stále silný a čistý. Pri AM rozsahoch je osvit po naladení malý. Pri VKV napätie na mriežke EM80 je po naladení najskôr okolo -12V pri plnom svite a následne hneď začne samovolne klesať na -3,5V. Napadlo mi, či by malo zmysel ladiť a kontrolovať napätia na vyznačenej trase v schéme? Či by som tým našiel, v ktorom mieste napätie samovolne klesne po naladení.
-
- Příspěvky: 11
- Registrován: 23.03. 2021, 16:56
Re: Radio BRAUN TS1
Mam stejne podezreni, jako Vy, na barevne vyznaceny obvod AVC. Pokles napeti muze byt zpusobeny svodem.
Keramicke kondensatory nejsou sice tak podezrele jako svitkove ale uz jsem jich take par zazil spatnych, hlavne v radiich Zenith, takze ani ty nejsou mimo podezreni. Zkontroloval Jste tam hodnoty vsech odporu? To muze ovlivnit casovou konstantu AVC, t.j. dobu za kterou magicke oko ztmavne. Predpokladam ze napeti Jste meril digitalnim merakem s vysokym vstupnim odporem.
Keramicke kondensatory nejsou sice tak podezrele jako svitkove ale uz jsem jich take par zazil spatnych, hlavne v radiich Zenith, takze ani ty nejsou mimo podezreni. Zkontroloval Jste tam hodnoty vsech odporu? To muze ovlivnit casovou konstantu AVC, t.j. dobu za kterou magicke oko ztmavne. Predpokladam ze napeti Jste meril digitalnim merakem s vysokym vstupnim odporem.
Re: Radio BRAUN TS1
Potreboval by som presnejšie určiť, ktorý obvod je AVC pre VKV, aby som sa na to zameral. Áno meriam digitálnym multimetrom. Vyznačil som v schéme ako sa správajú napätia. Šípkou som označil miesto, kde po naladení stanice spadne postupne napätie z 12V na 4V a za kondenzátorom C69 10nF/630V (ktorý som dal nový) je napatie stálych 30V.