Tesla 1008A Liberta napätie
Re: Tesla 1008A Liberta napätie
Ta čínská přenoska pasuje do hadí hlavy perfektně i bez adaptéru, akorát se vejde do té kovové vidličky. Stačí zapojit vývody. Problém je, že na těch přepínacích přenoskách jsou zřejmě oba hroty stejně tlusté, přestože je jeden z nich označený jako 78otáčkový a je vyroben z jiného materiálu. V nouzi se to dá používat, ale nehraje to tak, jak by mělo. Dřív měli tyhle přenosky s opravdovým standard hrotem, ale už je číňani asi nedělají.
Re: Tesla 1008A Liberta napätie
Medzičasom som začal skladať rádio s novým "brokátom", je to škoda, že sa s tým zmenil jeho pôvodný výzor, ale je ťažké zohnať niečo podobné originálu. Tie čínske prenosky som si prezeral, je to za dobrý peniaz, mám prístup aj k 3D tlačiarni, tak uvidíme. Ďakujem.
Re: Tesla 1008A Liberta napätie
M.M. I když to není originál, hezká práce 
-
jirka5
- Příspěvky: 269
- Registrován: 30.06. 2013, 20:41
- Bydliště: Very Stupid District (hned vedle okresu Postřižiny)
Re: Tesla 1008A Liberta napätie
Jj, práce je to hezká, ale podle původní fotky nějak nenacházím důvod, proč ten brokát vyměňovat.
Re: Tesla 1008A Liberta napätie
A co když původní fotka není původní z opravovaného kusu? 
Re: Tesla 1008A Liberta napätie
Prvá fotka nie je z opravovaného rádia, ale len ukážka brokátu, ktorý som zháňal
Momentálne mám však iný problém. Osádzal som šasí rádia do skrinky už aj s reproduktormi na komplet. Po zapojení a zapnutí začne silný brum v reproduktoroch hneď po nažhavení elektrónok.
Už sa mi to raz stalo počas oživovania a vtedy som len lepšie ukostril záporné vývody dvojitého kondenzátora zdroja, v ktorom sú vložené nové kondenzátory (aj keď puzdro je pevne spojené so šasí) a akoby zázrakom to prestalo. Teraz to nepomohlo.
Žhavenie ide ako má, žiarovka svieti, no po nažhavení to začne hlasno hučať. Po vypnutí hučanie doznieva cca 3-4 sekundy. Za mostíkom mám až 350V pri osadených elektrónkach (toľko som tam pri oživovaní nameral bez zaťaženia na prázdno s neosadenými elektrónkami), normálne by tam malo byť 240V.
Kontroloval som zapojenie niekoľkokrát a nič som nenašiel. Môže to byť zlá koncová elektrónka? Elektrónka je tam pôvodná, ale v rodine máme ešte Gavotu 2, z ktorej by som si požičal druhú na test. Alebo že by to bol poškodený dvojitý kondenzátor? Pri meraní ukazujú obidva kapacitu 48uF a nekonečný odpor. Do toho dvojitého kondenzátora som dával 2x 47uF/ 450V. Čítal som, že medzi ich vývody treba dať odpory, ktoré som tam ja nedával.
Momentálne mám však iný problém. Osádzal som šasí rádia do skrinky už aj s reproduktormi na komplet. Po zapojení a zapnutí začne silný brum v reproduktoroch hneď po nažhavení elektrónok.
Už sa mi to raz stalo počas oživovania a vtedy som len lepšie ukostril záporné vývody dvojitého kondenzátora zdroja, v ktorom sú vložené nové kondenzátory (aj keď puzdro je pevne spojené so šasí) a akoby zázrakom to prestalo. Teraz to nepomohlo.
Žhavenie ide ako má, žiarovka svieti, no po nažhavení to začne hlasno hučať. Po vypnutí hučanie doznieva cca 3-4 sekundy. Za mostíkom mám až 350V pri osadených elektrónkach (toľko som tam pri oživovaní nameral bez zaťaženia na prázdno s neosadenými elektrónkami), normálne by tam malo byť 240V.
Kontroloval som zapojenie niekoľkokrát a nič som nenašiel. Môže to byť zlá koncová elektrónka? Elektrónka je tam pôvodná, ale v rodine máme ešte Gavotu 2, z ktorej by som si požičal druhú na test. Alebo že by to bol poškodený dvojitý kondenzátor? Pri meraní ukazujú obidva kapacitu 48uF a nekonečný odpor. Do toho dvojitého kondenzátora som dával 2x 47uF/ 450V. Čítal som, že medzi ich vývody treba dať odpory, ktoré som tam ja nedával.
-
Martin 1374
- Příspěvky: 128
- Registrován: 31.01. 2020, 10:08
Re: Tesla 1008A Liberta napätie
Hučení vypadá pravděpodobně na pronikání kmitočtu sítě do anodového okruhu.
Re: Tesla 1008A Liberta napätie
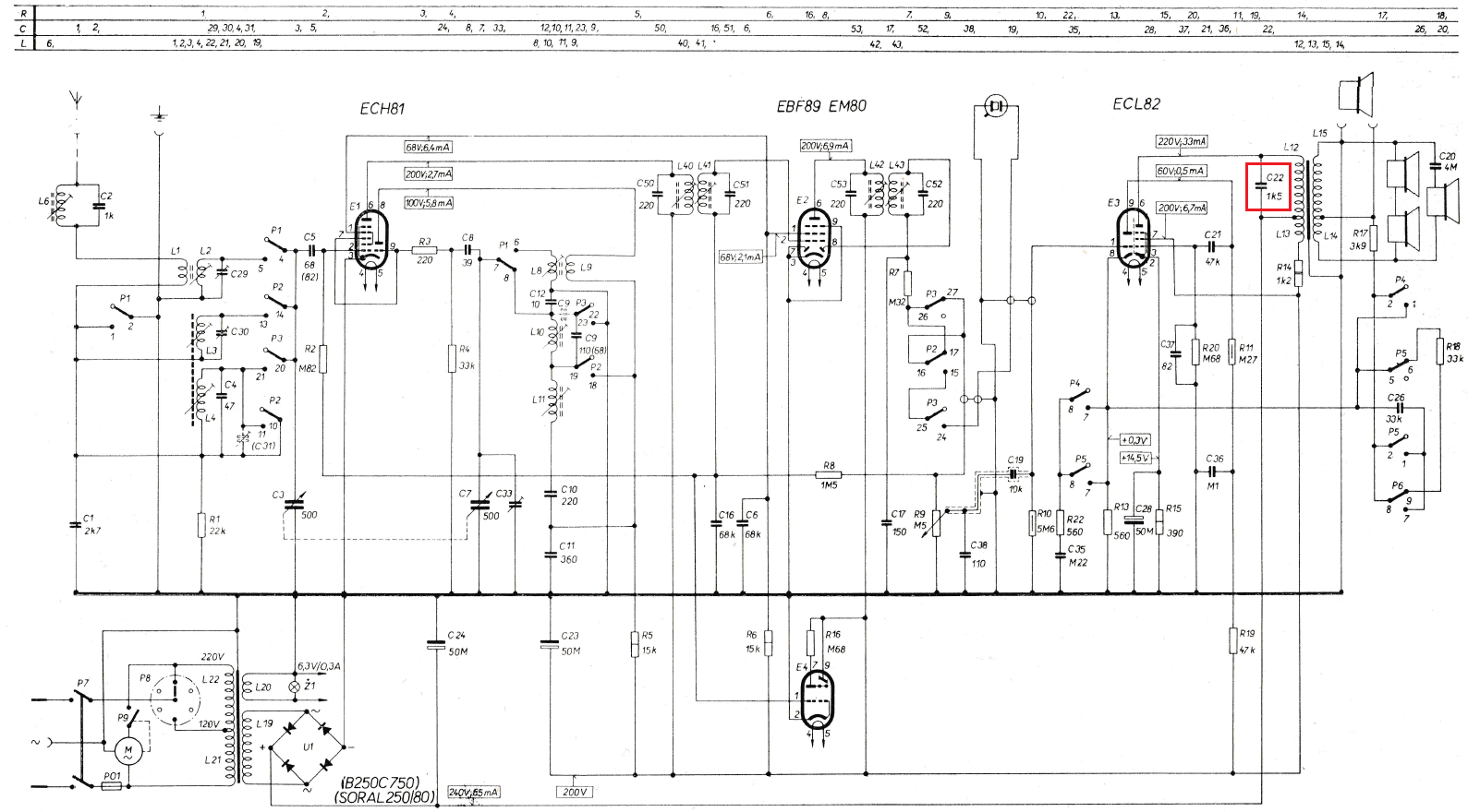
Pravdepodobne áno, je to taký hlbší rovnomerný tón. Kontroloval som schému a zatiaľ som našiel len to, že kondenzátor C22 má mať 1500pF/1000V +-20%, ja som tam dal keramický 1000pF/ 1000V. Skúšal som ho odpojiť, no bručanie tam stále bolo. Zabudol som ho však premerať.
Re: Tesla 1008A Liberta napätie
Pokud to hučí ještě několik s po vypnutí, tak to nemůže být vadou kondenzátorů, elektronky atd.- po vypnutí
je přece síť od rádia odpojena. Možných příčin je mnoho, od porušení izolace trafa přes špatnou izolaci vodičů
sítě po svod v síťovém vypínači na kostru či do obvodů nf. Anebo to celé kmitá , pravděpodobně nf zesilovač .
je přece síť od rádia odpojena. Možných příčin je mnoho, od porušení izolace trafa přes špatnou izolaci vodičů
sítě po svod v síťovém vypínači na kostru či do obvodů nf. Anebo to celé kmitá , pravděpodobně nf zesilovač .
-
jirka5
- Příspěvky: 269
- Registrován: 30.06. 2013, 20:41
- Bydliště: Very Stupid District (hned vedle okresu Postřižiny)
Re: Tesla 1008A Liberta napätie
Kondenzátor C 22 nemůže mít vliv na hučení, ten slouží jen pro omezení nejvyšších tónů, maximálně při jeho průrazu bude primární vinutí výstupáku ve zkratu a nebude to hrát.
Napětí 350 V na C 24 je o 110 V vyšší než udává výrobce, snad by to bylo možné při přepětí v síti a odlehčeném zdroji, avšak rádio hučí, čili nějaký proud tam téci musí. Celé se mi to zdá nějaké nepravděpodobné, čím a jak jsi to napětí měřil?
Celá závada působí velmi nelogicky. O nelogických závadách platí, že si je obvykle způsobuje člověk sám a nejhůře se hledají. Vyndej šasi ze skříně a pečlivě prohlédni, jestli ti některý drát neupadl a nedotýká se něčeho někde jinde, nebo jestlis´něco nezapojil někam jinam. Dále zkontroluj usměrňovací můstek a ty rekonstruované ellyty, jestli některý vývod neupadl nebo jestli některý čínský škopíček neztratil kapacitu.
Když to nepomůže, zkus se obrátit na někoho ve svém okolí, kdo se tím zabývá.
Napětí 350 V na C 24 je o 110 V vyšší než udává výrobce, snad by to bylo možné při přepětí v síti a odlehčeném zdroji, avšak rádio hučí, čili nějaký proud tam téci musí. Celé se mi to zdá nějaké nepravděpodobné, čím a jak jsi to napětí měřil?
Celá závada působí velmi nelogicky. O nelogických závadách platí, že si je obvykle způsobuje člověk sám a nejhůře se hledají. Vyndej šasi ze skříně a pečlivě prohlédni, jestli ti některý drát neupadl a nedotýká se něčeho někde jinde, nebo jestlis´něco nezapojil někam jinam. Dále zkontroluj usměrňovací můstek a ty rekonstruované ellyty, jestli některý vývod neupadl nebo jestli některý čínský škopíček neztratil kapacitu.
Když to nepomůže, zkus se obrátit na někoho ve svém okolí, kdo se tím zabývá.
