VKV díl pro Forte 461A

Vše okolo historických rádií
JirkaK

Re: VKV díl pro Forte 461A

Příspěvek od JirkaK » 27.12. 2013, 00:09

S MAA550 jsem si užil při opravě dvou Progressonů. Tam soudruzi z Tesly Bratislava asi udělali chybu při nastavení proudu stabilizátoru MAA550, který byl několik minut po zapnutí rozpálený tak že pálil do prstu a ladicí napětí ujelo o několik desetin voltu. Po zvětšení předřadného odporu a nasazení chladiče na stabilizátor to bylo výrazně lepší, u jednoho rádia byl ještě studeňák u jednoho z trimrů u nastavení mezí přepnutí CCIR a OIRT pásem - to je další možnost kterou se vyplatí důkladně prověřit. Poté se Progresson dá používat alespoň pro silnější stanice.
Jinak největší prevít co do stability naladění je podle mé zkušenosti bezkonkurenčně teslácké autorádio s ARI. Progresson v továrním provedení mu zdatně konkuruje. Ani tuner T710 není dnes na plném CCIR pásmu nic moc. Na druhou stranu polovrak Dominantu, který mi hraje v dílně, kupodivu nemá se stabilitou naladění nijak zásadní problémy.
Uživatelský avatar
Jirka84835751
Moderátor
Příspěvky: 998
Registrován: 17.10. 2011, 18:51
Bydliště: U Mohelnice dál od Olomouce
Kontaktovat uživatele:

Re: VKV díl pro Forte 461A

Příspěvek od Jirka84835751 » 27.12. 2013, 23:30

JirkoK,nic ve zlém,ale:
ono se nedá srovnávat napětí vyrobené přes jednocestné usměrnění pomocí MAA550 a přes dvoucestné s předstabilizací KF507,MAA550,KZ141 a dál s MAA723. Tsou to "poněkud" rozdílné pracovní hodnoty a technologie už na projekčním stole i když oba mají v základu výstup z MAA550. Stačí si prohlídnout i ona zapojení v použitém přijímači. Hold za málo peněz málo kvality, vlastně muziky (obdoba už tehdy made "inchinaek sport") :D
Přílohy
ladění Progresson447 A.jpg
Uživatelský avatar
Chuchanek
Příspěvky: 8
Registrován: 24.10. 2011, 11:11
Bydliště: Lanškrounsko

Re: VKV díl pro Forte 461A

Příspěvek od Chuchanek » 28.12. 2013, 18:47

Děkuji za rady i postřehy. Právě, že při předešlých měřeních se mi zdálo, že napětí na MAA550 "drželo". Určitě to ještě znovu pořádně proměřím, než se pustím do dalších akcí, ale k tomu se dostanu až v lednu.
Uživatelský avatar
Chuchanek
Příspěvky: 8
Registrován: 24.10. 2011, 11:11
Bydliště: Lanškrounsko

Re: VKV díl pro Forte 461A

Příspěvek od Chuchanek » 02.01. 2014, 19:15

Tak nakonec to byl vadný C69 hned za běžcem ladicího potenciometru, vyměnil jsem všecko kolem a na tenhle kondenzátor úplně zapomněl. Zajímavé, že jsem jev pozoroval na FM, ale možná to bylo jenom tím, že jsem FM víc poslouchal :roll:
Uživatelský avatar
Jirka84835751
Moderátor
Příspěvky: 998
Registrován: 17.10. 2011, 18:51
Bydliště: U Mohelnice dál od Olomouce
Kontaktovat uživatele:

Re: VKV díl pro Forte 461A

Příspěvek od Jirka84835751 » 02.01. 2014, 21:21

To musel být velmi malý jeho Ri, když si prohlížím proudy - v serii R50 a "nulovou" hodnotu R57 při vytočení 33V na IO2. Jak je vidno i taková téměř neskutečná závada se může objevit - jak moc byl onen C69 "propájený" , na to si netroufám ani pomyslet. Byl možná dokonce i na nižší napětí, než měl být (hnědák ?).
Uživatelský avatar
Chuchanek
Příspěvky: 8
Registrován: 24.10. 2011, 11:11
Bydliště: Lanškrounsko

Re: VKV díl pro Forte 461A

Příspěvek od Chuchanek » 03.01. 2014, 16:18

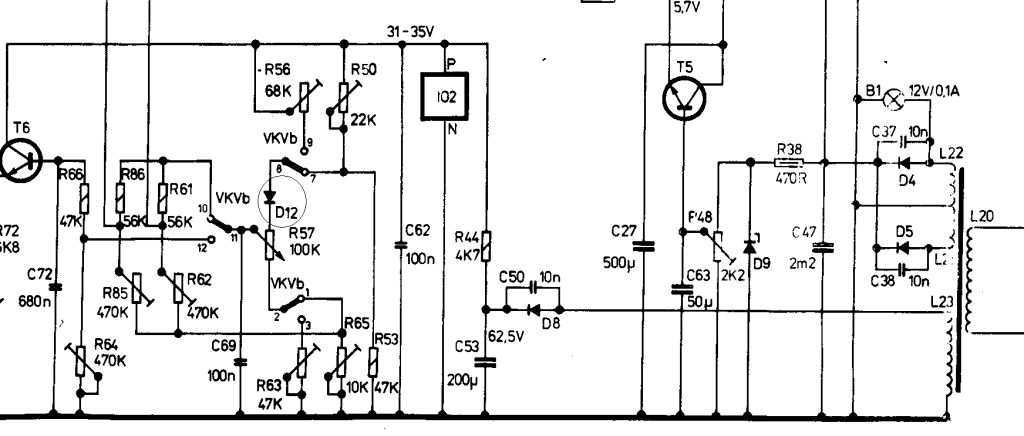
Ano, hnědák ;) možná skutečně na nižší napětí, i když podle specifikace na 32V, ale skutečné provedení si netroufnu odhadnout. Ještě poprosím o vysvětlení, k čemu slouží dioda D12? Někde bývá GA201, jinde KAS21/40.
Uživatelský avatar
Jirka84835751
Moderátor
Příspěvky: 998
Registrován: 17.10. 2011, 18:51
Bydliště: U Mohelnice dál od Olomouce
Kontaktovat uživatele:

Re: VKV díl pro Forte 461A

Příspěvek od Jirka84835751 » 03.01. 2014, 18:44

Tak hluboce jsem nad zapojením těchto zdrojů nebádal, proto si jen dovolím osobní hypotézu, kterou možná znalejší snadno vyvrátí.
Tato dioda GA201 se dříve používala jako detektor AM signálu v krystalkách i tranzistorácích jako náhrada dřívějších 1NN41 atd., tedy typuji, že zde má asi jen účel pro snížení "chrastění" ladícího potenciometru ze "zpětného napětí" při přepínání ladícího napětí pro jednotlivé rozsahy (AM/FM). KAS21/40 byla asi náhrada za starší GA pro vyšší U závěrné. V jiných typech přijímačů jsem tento způsob"ochrany" nenašel, jen u 444A-461A. Mohl to být pravděpodobně i jeden z možných důvodů závad při plavání varikapů - jen se domnívám.
Uživatelský avatar
Milan
Příspěvky: 871
Registrován: 04.04. 2012, 19:01
Bydliště: Nýřany

Re: VKV díl pro Forte 461A

Příspěvek od Milan » 03.01. 2014, 22:51

Germaniová dioda ve VKV dílu slouží jako omezovač amplitudy mezifrekvenčního signálu ...
Uživatelský avatar
Jirka84835751
Moderátor
Příspěvky: 998
Registrován: 17.10. 2011, 18:51
Bydliště: U Mohelnice dál od Olomouce
Kontaktovat uživatele:

Re: VKV díl pro Forte 461A

Příspěvek od Jirka84835751 » 04.01. 2014, 10:47

Milane, bavíme se o stejné diodě D12 nad ladícím potenciometrem ve zdroji pro 461A?
Pokud ano, pak nechápu, jak se ke zdroji tento signál dostává (je spousta niancí, které mi stále častěji unikají).
Díky předem za analýzu.
Přílohy
zdroj 461A.jpg
Uživatelský avatar
Milan
Příspěvky: 871
Registrován: 04.04. 2012, 19:01
Bydliště: Nýřany

Re: VKV díl pro Forte 461A

Příspěvek od Milan » 04.01. 2014, 13:26

Pardon Jiří. Někdy si přečtu jen první a poslední slovo...
Dioda D12 v sérii s potenciometrem slouží k teplotní stabilizaci napětí. (tedy podle výrobce :) )
Odpovědět