Radio BRAUN TS1
Re: Radio BRAUN TS1
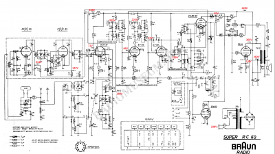
Súhlasím, dizajn je veľmi strohý. Zaznačil som do schémy, ktoré súčiastky boli vymenené, jednalo sa o elektrolyty, papierové zvitky, asfalťáky a viditeľne prasknuté doskové keramické kondenzátory. Okrem toho som vykuchal usmerňovač a vložil do pôvodného púzdra mostík, tak isto spravím aj filtračné elektrolyty. Môže byť ešte niečo na čo by som sa mal zamerať? Tie kondenzátory 10nF okolo elektrónok sú po väčšine keramické trubičkové (niektoré sú zabalené v izolácií, ktorú som zo zvedavosti nastrihol a hodnoty napísal na izoláciu) a potom keramické doskové 2,5nF.
Re: Radio BRAUN TS1
Ešte jedna vec. Keď som si prechádzal schému, tak som si na nej všimol elektrolyt pred výškovými reproduktormi zapojený kladným pólom smerom na reproduktory, ale v skutočnosti to bolo naopak (prikladám foto). Videl som aj na iných fotkách, že mínus bol pripojený smerom na reproduktory. Žeby chyba v schéme? Momentálne je tam nový elektrolyt zapojený podľa pôvodného, teda podľa fotky.
Naposledy upravil(a) M.M. dne 15.11. 2023, 08:45, celkem upraveno 1 x.
Re: Radio BRAUN TS1
Asi to bude úplně jedno, elyt ale nemá krom snad části mřížkového proudu konc. elektronky žádnou ss polarizaci, což u většiny elytů mu nebude dělat dobře . Lepší by byl bipolární , já osobně bych tam dal svitek
4u7 / 63 až 100 V. Je to stejný problém jako třeba rvát obyčejné elyty do výhybek v reprobednách , chvíli to snad vydrží , časem se zničí - podle zatížení .
4u7 / 63 až 100 V. Je to stejný problém jako třeba rvát obyčejné elyty do výhybek v reprobednách , chvíli to snad vydrží , časem se zničí - podle zatížení .
-
jirka5
- Příspěvky: 269
- Registrován: 30.06. 2013, 20:41
- Bydliště: Very Stupid District (hned vedle okresu Postřižiny)
Re: Radio BRAUN TS1
Na co se teď zaměřit? řekl bych, že na postupné uvádění do chodu. Doporučuju rádio zapnout nejprve přes 200 W žárovku, zjistit jestli se nic nepálí a nehoří, elektronky žhaví a na hlavním ellytu je anodové napětí. Bude-li všechno v pořádku, můžeš zapnout rovnou do sítě. Vzhledem k tomu, žes původní selenový můstek vyměnil za křemíkový, který má podstatně nižší vnitřní odpor, bude na výstupu z usměrňovače vyšší napětí než předepsaných 285 V. To nebude dělat dobře zejména koncové EL84, kterou poteče vyšší proud, který povede k jejímu rychlému opotřebení. Musíš proto do kladného výstupu z můstku vložit odpor, který napětí sníží na předepsanou hodnotu. Začal bych tak rezistorem 100 Ohm/10 W. Budeš měřit a uvidíš. Samozřejmě předpokládám, že rádio máš přepnuto na 240 V a vyčistil jsi všechny potenciometry a přepínače.. Pokud v přístroji není žádná další závada, měl by se rozehrát. Přeju ti hodně štěstí.
Re: Radio BRAUN TS1
Ďakujem. Mám v pláne doplniť výkonový odpor na výstup z usmerňovača podľa výsledku merania.
K tomu kondenzátoru 5uF na vstupe do výškových repro - Videl som ako si jeden nemec vyrobil bipolárny kondenzátor zapojením dvoch 10uF elektrolytov do série, ktoré boli spojené mínusovými vývodmi. Bolo by aj toto dobré riešenie?
K tomu kondenzátoru 5uF na vstupe do výškových repro - Videl som ako si jeden nemec vyrobil bipolárny kondenzátor zapojením dvoch 10uF elektrolytov do série, ktoré boli spojené mínusovými vývodmi. Bolo by aj toto dobré riešenie?
- Přílohy
-
- bip.PNG
- (43.83 KiB) Zatím ještě nestaženo
Re: Radio BRAUN TS1
Ach jo, je-li ti líto 10-15 Kč za pořádný svitek, udělej to dle svého, chvíli to vydrží a snad nevyteče . Ten Němec ( nebo ty ?) zapomněl domalovat ke každému elytu opačně polovanou diodu , aby se nenabíjely opačně . To je tak vhodné možná jako nouzovka náhrady rozběhového kondenzátoru nějakého motoru , do signálové cesty určitě ne.
Re: Radio BRAUN TS1
Ďakujem za odpoveď, bol som priklonený k použitiu zvitku namiesto elektrolytu, len som si chcel preveriť túto možnosť. 
Re: Radio BRAUN TS1
Na tomto mieste je tak isto elektrolyt plusom ku kostre. Osadil som tam nový elektrolyt, nebol by aj tu lepší zvitok?
-
jirka5
- Příspěvky: 269
- Registrován: 30.06. 2013, 20:41
- Bydliště: Very Stupid District (hned vedle okresu Postřižiny)
Re: Radio BRAUN TS1
Na tomto místě bych elektrolyt ponechal, je stejnosměrně polarizován diodou diskriminátoru, avšak je velká pravděpodobnost, že bude bez kapacity.
Vzhledem k použití dvou mf stupňů by toto rádio mělo mít velkou citlivost na vkv, ovšem záleží to na tom, v jakém stavu jsou elektronky ECC85 a EF89. V případě EF89 se jedná se sice o evropské, ale u nás nepoužívané elektronky, v našich přijímačích se nikdy nevyskytovaly. EF89 lze nahradit u nás běžnější EBF89 po úpravě zapojení soklu, nebo soudruzi z NDR vyzkoušeli náhradu televizní EF183, kterých se všude válí plno, ovšem pozor, má také trochu jiný pin out.
Co se týká kondenzátoru do série s výškovými reproduktory, byl by ideální nějaký malý krabicový, bohužel se však už nevyrábějí. S antisériově zapojenými ellyty mám špatné zkušenosti. Zkusil jsem je kdysi dát do beden a nechodilo to ani jako nové.
Vzhledem k použití dvou mf stupňů by toto rádio mělo mít velkou citlivost na vkv, ovšem záleží to na tom, v jakém stavu jsou elektronky ECC85 a EF89. V případě EF89 se jedná se sice o evropské, ale u nás nepoužívané elektronky, v našich přijímačích se nikdy nevyskytovaly. EF89 lze nahradit u nás běžnější EBF89 po úpravě zapojení soklu, nebo soudruzi z NDR vyzkoušeli náhradu televizní EF183, kterých se všude válí plno, ovšem pozor, má také trochu jiný pin out.
Co se týká kondenzátoru do série s výškovými reproduktory, byl by ideální nějaký malý krabicový, bohužel se však už nevyrábějí. S antisériově zapojenými ellyty mám špatné zkušenosti. Zkusil jsem je kdysi dát do beden a nechodilo to ani jako nové.
Naposledy upravil(a) jirka5 dne 27.11. 2023, 12:47, celkem upraveno 1 x.
Re: Radio BRAUN TS1
Dostal som sa k oživeniu. Rádio funguje na všetkých rozsahoch. Prikladám schému, do ktorej som zaznačil namerané napätia. Meranie som robil na rozsahu VKV. Zrážacie odpory som zatiaľ nepridával. Žhaviace napätie je len 5,9V. Žiarovky sú dve 7V/300mA (podľa pôvodných). Ten zvitkový kondenzátor do série s výškovými repro som zohnal 4,7uF/ 63VDC.
Naposledy upravil(a) M.M. dne 20.11. 2023, 07:12, celkem upraveno 1 x.
