Tesla 1120A Supraphon
Tesla 1120A Supraphon
Kolegovia potreboval by som radu ohľadom nasledovného problému s gramorádiom Tesla Supraphon.
Po zreštaurovaní šasi štandardným spôsobom (prezvitkovanie, výmena usmerňovača za mostík, výmena elektrolytov a elektrónok) rádio fungovalo na všetkých rozsahoch (DV, SV, VKV). Postupne sa, ale začali strácať DV a SV, takým spôsobom, že raz išli len DV a SV boli hluché, potom opačne a teraz sú obidva rozsahy hluché. Gramo vstup je aktívny. VKV beží na 2 až 3 zrkadlových staniciach.
Vyzerá to na prerušený obvod. Snažil som sa jemne pritláčať spoje a kontakty prepínačov no bezvýsledne. Tak isto som kontroloval či nie je niečo prerušené no nič som nenašiel.
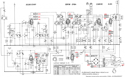
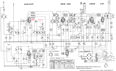
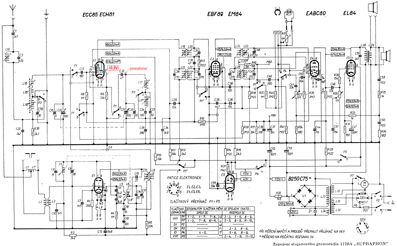
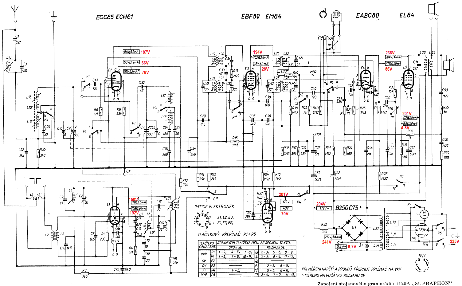
Do prílohy dávam schému s nameranými napätiami (zatiaľ ešte bez ošetrenia zvýšených napatí v zdroji).
Budem vďačný za každú radu na čo konkrétne sa mám zamerať.
Po zreštaurovaní šasi štandardným spôsobom (prezvitkovanie, výmena usmerňovača za mostík, výmena elektrolytov a elektrónok) rádio fungovalo na všetkých rozsahoch (DV, SV, VKV). Postupne sa, ale začali strácať DV a SV, takým spôsobom, že raz išli len DV a SV boli hluché, potom opačne a teraz sú obidva rozsahy hluché. Gramo vstup je aktívny. VKV beží na 2 až 3 zrkadlových staniciach.
Vyzerá to na prerušený obvod. Snažil som sa jemne pritláčať spoje a kontakty prepínačov no bezvýsledne. Tak isto som kontroloval či nie je niečo prerušené no nič som nenašiel.
Do prílohy dávam schému s nameranými napätiami (zatiaľ ešte bez ošetrenia zvýšených napatí v zdroji).
Budem vďačný za každú radu na čo konkrétne sa mám zamerať.
-
frana
- Příspěvky: 38
- Registrován: 17.06. 2015, 21:18
- Bydliště: Rtyně v Podkrkonoší
- Kontaktovat uživatele:
Re: Tesla 1120A Supraphon
Zdar, nejprve bych se asi podíval osciloskopem jestli a kde kmitá oscilátor.
Vladimír
ok1mrs@tiscali.cz
ok1mrs@tiscali.cz
Re: Tesla 1120A Supraphon
Protože E2 a vše další má fungovat jak pro SV, DV tak i pro VKV a to VKV "nějak hraje" , měla by být vada v obvodech mezi g1 E2 a anténou , pokud funguje oscilátor na SV,DV .Tak třeba zkrat v ladícím kondu, C13 bez kapacity (mf 10,7 přes pár pF proleze , SV,DV moc ne) . Nebo cívky- utržené vývody pod kryty , nějaký zkrat atd. atd. , možností je milion. Nejlepší po kontrole funkce oscilátoru ( stačí na mřížce triody naměřit digitálem přes
odpor třeba 100k záporné napětí mezi 5 a 12V ve všech polohách lad.kondu sekce oscilátor) je pustit do antény
signál z generátoru a osciloskopem se podívat , zda "to prolézá" dále. Ještě "koukni" ohmetrem při vypnutém
rádiu na cestu AVC , zda je g1 E2 v poloze SV,DV správně propojena (přepínač, R8,R15 atd.) a nevisí v luftě .
odpor třeba 100k záporné napětí mezi 5 a 12V ve všech polohách lad.kondu sekce oscilátor) je pustit do antény
signál z generátoru a osciloskopem se podívat , zda "to prolézá" dále. Ještě "koukni" ohmetrem při vypnutém
rádiu na cestu AVC , zda je g1 E2 v poloze SV,DV správně propojena (přepínač, R8,R15 atd.) a nevisí v luftě .
Re: Tesla 1120A Supraphon
Ladiaci konenzátor bol v poriadku. Skúšal som na stredných vlnách (spodná frekvencia) pustiť do antény signál z generátora a naladil som ho, len bol slabý, tak som trochu pootočil jadrom cievky L17 a zrazu naskočil hlasno, tak som jadro cievky pootočil naspať, keďže bola od výroby nastavená dobre. Dlhé vlny sú tiež funkčné. Predpokladám, že problém bude pod krytom s cievkami L17, L17´, C23, C24, C26.
Re: Tesla 1120A Supraphon
Předpokládat to můžeš, ale změř to napětí na mřížce triody a uvidíš , zda to vůbec kmitá . Pokud máš slušnější osciloskop , můžeš i připojit sondu 10:1 přes kondik třeba 4p7 /500V a odečíst si na stínítku přibližnou frekvenci.
Ta skoková reakce odpovídá spíše nějakému uhnilému drátku , zlomenému jádro ap. Nebo špatnému kontaktu v některém kondiku z uvedených , zejména slídové na to trpí. Nevyloučil bych ani ladicí kond, zkrat nebo zasviněný sběrač na rotoru a tudíž chybějící zem.
Ta skoková reakce odpovídá spíše nějakému uhnilému drátku , zlomenému jádro ap. Nebo špatnému kontaktu v některém kondiku z uvedených , zejména slídové na to trpí. Nevyloučil bych ani ladicí kond, zkrat nebo zasviněný sběrač na rotoru a tudíž chybějící zem.
Re: Tesla 1120A Supraphon
Zatiaľ sa vyhýbam zhadzovaniu krytu s cievkami, tak som hľadal zlý kontakt metódou pritláčania a hýbania s vývodmi súčiastok a vodičmi. Prerušenie, alebo zlý kontakt bol na vyznačenom vývode kondenzátora C32, zatiaľ sa to javí ako vyriešené. Zberač na rotore ladiaceho kondíka som sa snažil prečistiť, zasvinený bol statočne. Napätie na vývode č.9 na ECH81 som nameral -10,5V cez odpor 100k. Osciloskop nemám, mám iba hobby spektrum analyzér a generátor "TinySA", ktorý viem použivať zatiaľ iba na generovanie modulovaného signálu.
Re: Tesla 1120A Supraphon
Ten tiny analyzer určitě umí změřit/ukázat spektrum , takže i frekvenci oscilátoru . Otázkou je rozsah, zda se s tím na SV/DV popasuje. Ale asi to bude chtít přečíst si návod k použití
.
Na čistění opravdu silně zasviněných ladících kondenzátorů používám poněkud drsnou, ale účinnou metodu, protože vyčistit mezery mezi plechy od mastnoty s prachem nějakým štětečkem je nemožné , spíše se naohýbají desky a s tím je pak práce, obzvlášť když je vůle v ložisku . Kondenzátor vyndám a ponořím jej do pvc misky s cca 1: 10 naředěným teplým roztokem na čistění sporáků/grilů . Obsahuje nějaký saponát a NaoH . Chce to gumové rukavice a brýle na oči - je to žíravina. Je třeba pracovat rychle , některé kovy ( třeba mosaz) to černí,
tak max. 1 minutu . K očistě použít plastovou mašlovačku z kuchyně , běžný štětec to žere. Otáčením osičky
se to dostane mezi desky a svinstvo a mastnotu to uvolní. Následuje velmi důkladný proplach vodou , vysušení, jemné namazání ložiska , kuličky proti popř. převodu olejem a kontrola ohmetrem na možné zkraty. Nehodí se na kondy mající třeba plastové díly apod. , co by mohl louh sežrat.
Na čistění opravdu silně zasviněných ladících kondenzátorů používám poněkud drsnou, ale účinnou metodu, protože vyčistit mezery mezi plechy od mastnoty s prachem nějakým štětečkem je nemožné , spíše se naohýbají desky a s tím je pak práce, obzvlášť když je vůle v ložisku . Kondenzátor vyndám a ponořím jej do pvc misky s cca 1: 10 naředěným teplým roztokem na čistění sporáků/grilů . Obsahuje nějaký saponát a NaoH . Chce to gumové rukavice a brýle na oči - je to žíravina. Je třeba pracovat rychle , některé kovy ( třeba mosaz) to černí,
tak max. 1 minutu . K očistě použít plastovou mašlovačku z kuchyně , běžný štětec to žere. Otáčením osičky
se to dostane mezi desky a svinstvo a mastnotu to uvolní. Následuje velmi důkladný proplach vodou , vysušení, jemné namazání ložiska , kuličky proti popř. převodu olejem a kontrola ohmetrem na možné zkraty. Nehodí se na kondy mající třeba plastové díly apod. , co by mohl louh sežrat.
Re: Tesla 1120A Supraphon
Louh žere především hliník, plasty ne 
Re: Tesla 1120A Supraphon
Že to žere ledacos , je vidět podle bublinek v roztoku . Třeba obyčejný štětec s hliníkovým držákem chlupů
mi v chloridu železitém bublá fest , tady je to asi mírnější , bublinky jsem na deskách kondu nepozoroval, možná to chrání ten Al2O3 na povrchu . Staré plasty třeba na převodech se často rozpadají / degradují samy od sebe , bůhví, co je to za hmoty, do louhu bych to raději nedával
.
mi v chloridu železitém bublá fest , tady je to asi mírnější , bublinky jsem na deskách kondu nepozoroval, možná to chrání ten Al2O3 na povrchu . Staré plasty třeba na převodech se často rozpadají / degradují samy od sebe , bůhví, co je to za hmoty, do louhu bych to raději nedával
Re: Tesla 1120A Supraphon
Všimol som si, že gramofón má rozpadnuté 2ks "silentbloky" uloženia motora (dávam do prílohy ilustračné foto). Zháňal som to cez internet, ale ak by niekto mal nepoškodené a pružné aspoň dva kusy, poprosím nech sa mi ozve. Nerád by som kvôli dvom gumičkám znefunkčnil náhradné gramo. Ďakujem.
