TESLA 1118A Capella
TESLA 1118A Capella
Páni potreboval by som radu, či môžem nahradiť vyznačený elektrolyt 500nF/ 350V zvitkom, alebo bude lepšie zohnať elektrolyt?
- Jirka84835751
- Moderátor
- Příspěvky: 987
- Registrován: 17.10. 2011, 18:51
- Bydliště: U Mohelnice dál od Olomouce
- Kontaktovat uživatele:
Re: TESLA 1118A Capella
Obecně vzato, elektrolyt má funkci filtrace ss napěťové složky, zatímco svitkové kondenzátory "blokují/propouští " určitý kmitočet v daném zapojení. Dovolím se zeptat: jak se Ti projevuje jeho vyjmutí v obvodu?
Osobně bych nahradil uvedenou hodnotu opět elektrolytem , případně s navýšením do hodnoty do 1µF/350V.
Spíš bude problém sehnat axiální s obdobnou vevikostí, pokud nemáš šuplíkové "zásoby". Místo na radiální tam je taky.
Osobně bych nahradil uvedenou hodnotu opět elektrolytem , případně s navýšením do hodnoty do 1µF/350V.
Spíš bude problém sehnat axiální s obdobnou vevikostí, pokud nemáš šuplíkové "zásoby". Místo na radiální tam je taky.
Re: TESLA 1118A Capella
K zapnutiu som sa ešte nedostal. Zatiaľ som len v štádiu "prezvitkovania". Vyskúšam, prípadne pohľadám v zásobách.
Re: TESLA 1118A Capella
Já bych jej nahradil polyesterovým 470uF/400V a bude to funkčně bezvadné. Vynecháním se může celý přijímač rozhoukat, vlivem kladné zpětné vazby, ale to také záleží v jakém stavu je C214.
Re: TESLA 1118A Capella
Tenhle kondík jen vyhlazuje napájecí napětí nf předzesilovačů. Na provedení tedy příliš nezáleží, stejně jako na přesné kapacitě. Osobně bych tam dal malej elyt 1MF, nebo podobnej kterej by byl po ruce. Jen dodržet napětí.
-
- Příspěvky: 263
- Registrován: 30.06. 2013, 20:41
- Bydliště: Very Stupid District (hned vedle okresu Postřižiny)
Re: TESLA 1118A Capella
Milane, zřejmě jsi měl na mysli polyesterový 470 n/400 V, tím to bude blokováno i vysokofrekvenčně, ale klidně by tam mohl být i ellyt až 5 uF/350 V, když tam výrobce má taky elektrolyt. Nebo oba paralelně
.

Re: TESLA 1118A Capella
Kondenzátor C213 sa odporúča použiť 0,5uF/350V +50/-10% čo sa blbo zháňa. Môžem skúsiť polyesterový 470n/630V, ktorý mám, prípadne 1uF/450V, ktorý si musím kúpiť.
Rádio som včera zapol bez kondenzátora C213 pretože sa jeden jeho vývod hýbal v DPS, tak som ho vybral (spoje na DPS okolo koncovej elektrónky sú zrejme vplyvom tepla povolené) a po chvíli začalo pískať. Po prispájovaní tieniaceho krytu na koncovej elektrónke pre pravý kanál pískanie prestalo, tento tieniaci kryt tam už pôvodne bol. Ľavý kanál začne pískať do pár sekúnd po zapnutí, no na tejto elektrónke tieniaci kryt nebol a káble k reproduktoru boli pôvodne odstrihnuté a ľavé repro chýbalo. Skúsim na tú EL86 pre ľavý kanál doplniť tienenie.
C214 a C215 v zdroji sú vymenené (v pôvodnom púzdre).
Prikadám zopár foto, aktuálne foto ešte nemám, ale všetky hnedé zvitky sú vymenené.
Rádio som včera zapol bez kondenzátora C213 pretože sa jeden jeho vývod hýbal v DPS, tak som ho vybral (spoje na DPS okolo koncovej elektrónky sú zrejme vplyvom tepla povolené) a po chvíli začalo pískať. Po prispájovaní tieniaceho krytu na koncovej elektrónke pre pravý kanál pískanie prestalo, tento tieniaci kryt tam už pôvodne bol. Ľavý kanál začne pískať do pár sekúnd po zapnutí, no na tejto elektrónke tieniaci kryt nebol a káble k reproduktoru boli pôvodne odstrihnuté a ľavé repro chýbalo. Skúsim na tú EL86 pre ľavý kanál doplniť tienenie.
C214 a C215 v zdroji sú vymenené (v pôvodnom púzdre).
Prikadám zopár foto, aktuálne foto ešte nemám, ale všetky hnedé zvitky sú vymenené.
Re: TESLA 1118A Capella
Upresňujem informácie. Ľavý kanál začne pískať po zvýšení hlasitosti na cca. 40%. Tieniaci kryt na EL86 nepomohol. Mám tam ale namiesto elytu 0,5uF/350V zaradený polyesterový 560n/630V.
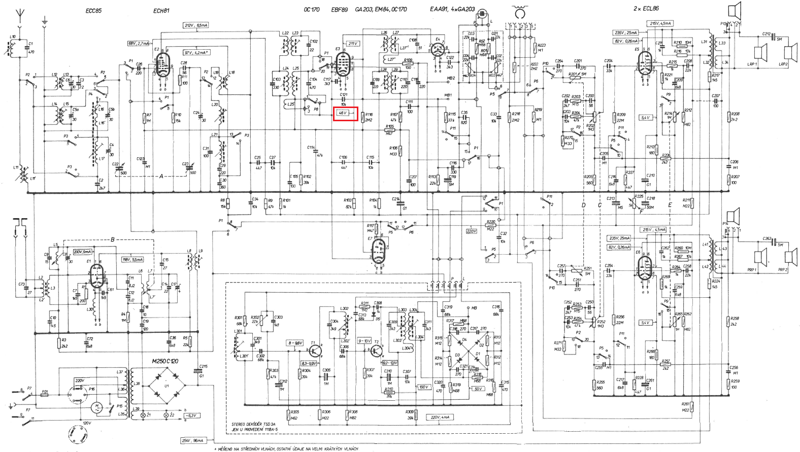
Pri meraní napätí som ešte zistil, že na vyznačenej vetve pri EBF89 mám 76 až 80V namiesto predpísaných 46V. Odpor R103 má po premeraní správnych 82k.
Pri meraní napätí som ešte zistil, že na vyznačenej vetve pri EBF89 mám 76 až 80V namiesto predpísaných 46V. Odpor R103 má po premeraní správnych 82k.
Re: TESLA 1118A Capella
Kondenzátor C213 som dal konečne elektrolyt 1uF/450V. Mám ale nové zistenie k zdroju pískania. Keď odpojím obidva reproduktory a pridám hlasitosť, tak pískanie vychádza z niektorej súčiastky okolo zdroja (trafo, výstupné trafo, alebo dvojitý kondenzátor zdroja. Do neho som ale vmontoval nové "čínske" elektrolyty, tak netuším odkiaľ to pískanie môže pochádzať.
Re: TESLA 1118A Capella
Výstupné trafá som som skúšal odpájať (jeden prívod), takisto aj dvojitý filtračný elyt, no pískanie tam stále bolo. Až keď som vytiahol obidve EL86 pískanie prestalo. Čo to môže spôsobovať?