Tesla 539A Rigoletto
Tesla 539A Rigoletto
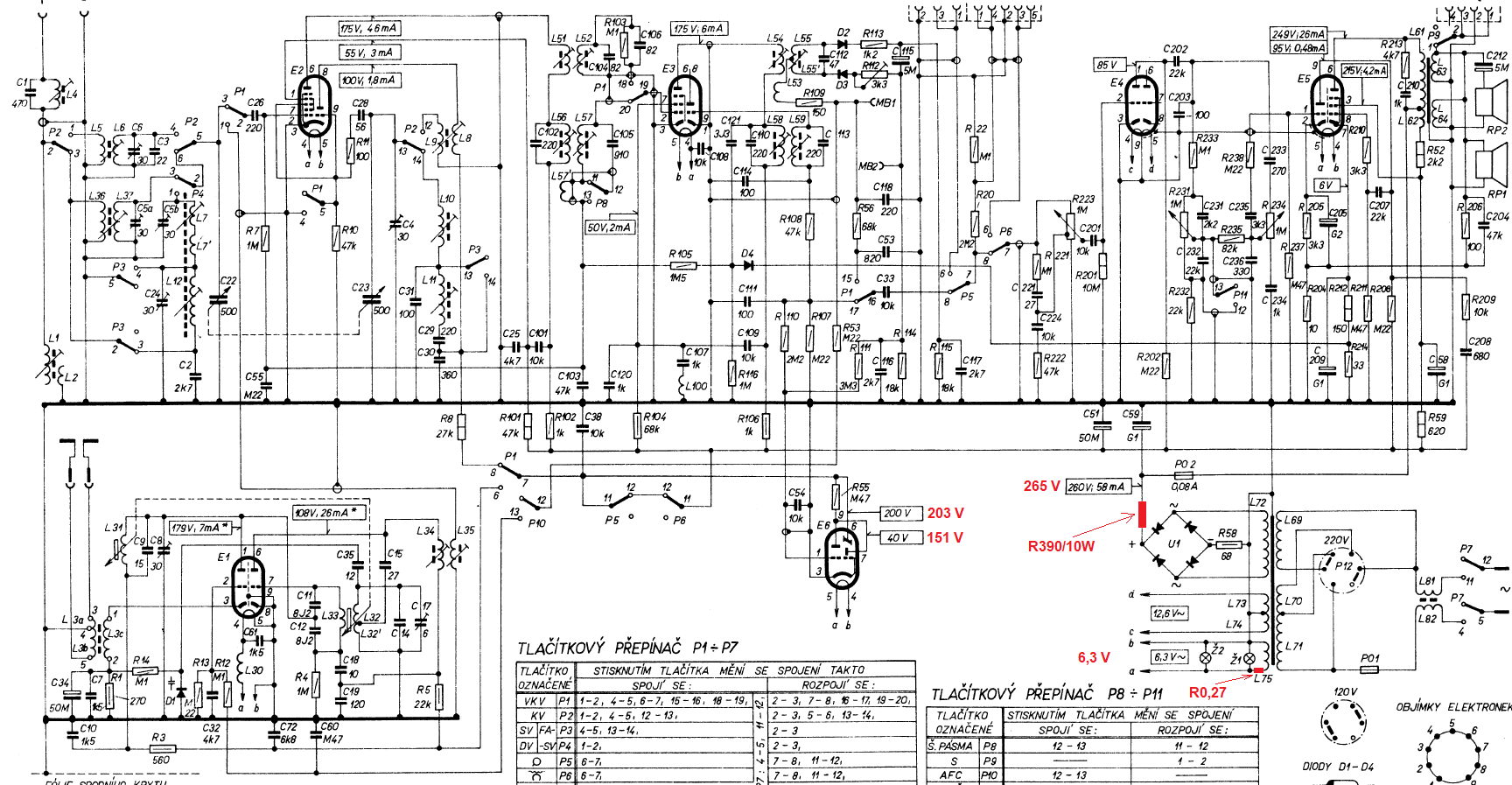
Potreboval by som radu ohľadom magického oka. Osvit tienidla je slabý a bez výchylky pri ladení. Je pravda, že som neskúšal založiť iné magické oko, ale prikladám schému s nameraným vyšším napätím na vychyľovacej doštičke 151V. Papierové zvitkové kondenzátory a elektrolyty boli starostlivo vymenené. Zrejme treba prekontrolovať odpory R110, R111.
Re: Tesla 539A Rigoletto
Možných příčin je mnoho, tady bych si tipl na slabé magioko . Jinak podezřelé jsou všechny odpory nad cca 1 MOhm, sladění přijímače , funkce avc , a samozřejmě a hlavně na AM rozsazích slabý signál z vysílačů . Chce to kontrolu napětí na detektorech s vf generátorem na vstupu, pravděpodobně zjistíš , že pro jeho vybuzení potřebuješ na vstupu desítky mV signálu , který ovšem v éteru už dávno není není
. Problém je v tom, že citlivost přijímače udávaná v jeho tech. parametrech, nemá žádnou přímou souvislost s vybuzením magioka . Autoři návrhu rádia napíšou třeba citlivost na SV 40uV , ovšem už nikde nenapsali, že při takovém signálu se magioko ani nehne a aby šlo na doraz, muselo by být na vstupu napětí třeba 100x větší .
Re: Tesla 539A Rigoletto
Bez signálu nemá být na mřížce magioka žádné záporné napětí. Pokud by bylo, byla by to známka toho, že přijímač kmitá. Pokud záporné napětí na mřížce není a magioko má přesto na pomocné anodě 150 V a světelný pás je roztáhlý, tak je v magioku slabá pomocná trioda (u EM84 velmi častá vada).
-
jirka5
- Příspěvky: 270
- Registrován: 30.06. 2013, 20:41
- Bydliště: Very Stupid District (hned vedle okresu Postřižiny)
Re: Tesla 539A Rigoletto
Dovoluji si přídat sem odkaz na jednu diskusi o magiokách na ebastlírně. Je tam i návod, jak nahradit pomocnou triodu.
http://www.ebastlirna.cz/modules.php?na ... c&start=15
Jinak - ještě všeobecně - je nutno si uvědomit, že výchylka elektronkového ukazatele vyladění je dána změnou napětí AVC. Je proto bezpodmínečně nutná správná funkce tohoto obvodu, tj. hlavně výměna svodových kondíků a kontrola rezistorů ve větvi AVC. O funkci AVC se lze jednoduše přesvědčit měřením napětí na g2 mezifrekvenční pentody. Naladíme-li silný vysílač, tak napětí musí stoupnout, protože vlivem AVC se elektronka přivře a tím pádem táhne menší proud. Problém ovšem je právě v tom silném vysílači, který už dnes není nadosah. Při dálkovém příjmu slabých stanic je tak klidně možné, že obvod AVC vůbec nezareaguje, tím se nezmění ani výchylka magioka.
http://www.ebastlirna.cz/modules.php?na ... c&start=15
Jinak - ještě všeobecně - je nutno si uvědomit, že výchylka elektronkového ukazatele vyladění je dána změnou napětí AVC. Je proto bezpodmínečně nutná správná funkce tohoto obvodu, tj. hlavně výměna svodových kondíků a kontrola rezistorů ve větvi AVC. O funkci AVC se lze jednoduše přesvědčit měřením napětí na g2 mezifrekvenční pentody. Naladíme-li silný vysílač, tak napětí musí stoupnout, protože vlivem AVC se elektronka přivře a tím pádem táhne menší proud. Problém ovšem je právě v tom silném vysílači, který už dnes není nadosah. Při dálkovém příjmu slabých stanic je tak klidně možné, že obvod AVC vůbec nezareaguje, tím se nezmění ani výchylka magioka.
