Tesla 1120A Supraphon

Vše okolo historických rádií
Uživatelský avatar
Jan55
Příspěvky: 816
Registrován: 25.01. 2014, 10:52
Bydliště: Praha 9
Kontaktovat uživatele:

Re: Tesla 1120A Supraphon

Příspěvek od Jan55 » 08.01. 2026, 14:56

M.M. :Zdravím, nedalo by se to nahradit něčím jiným, třeba gumové průchodky, nebo silikonovou gumou?
M.M.
Příspěvky: 76
Registrován: 12.10. 2022, 11:07
Bydliště: Banskobystrický kraj

Re: Tesla 1120A Supraphon

Příspěvek od M.M. » 09.01. 2026, 15:12

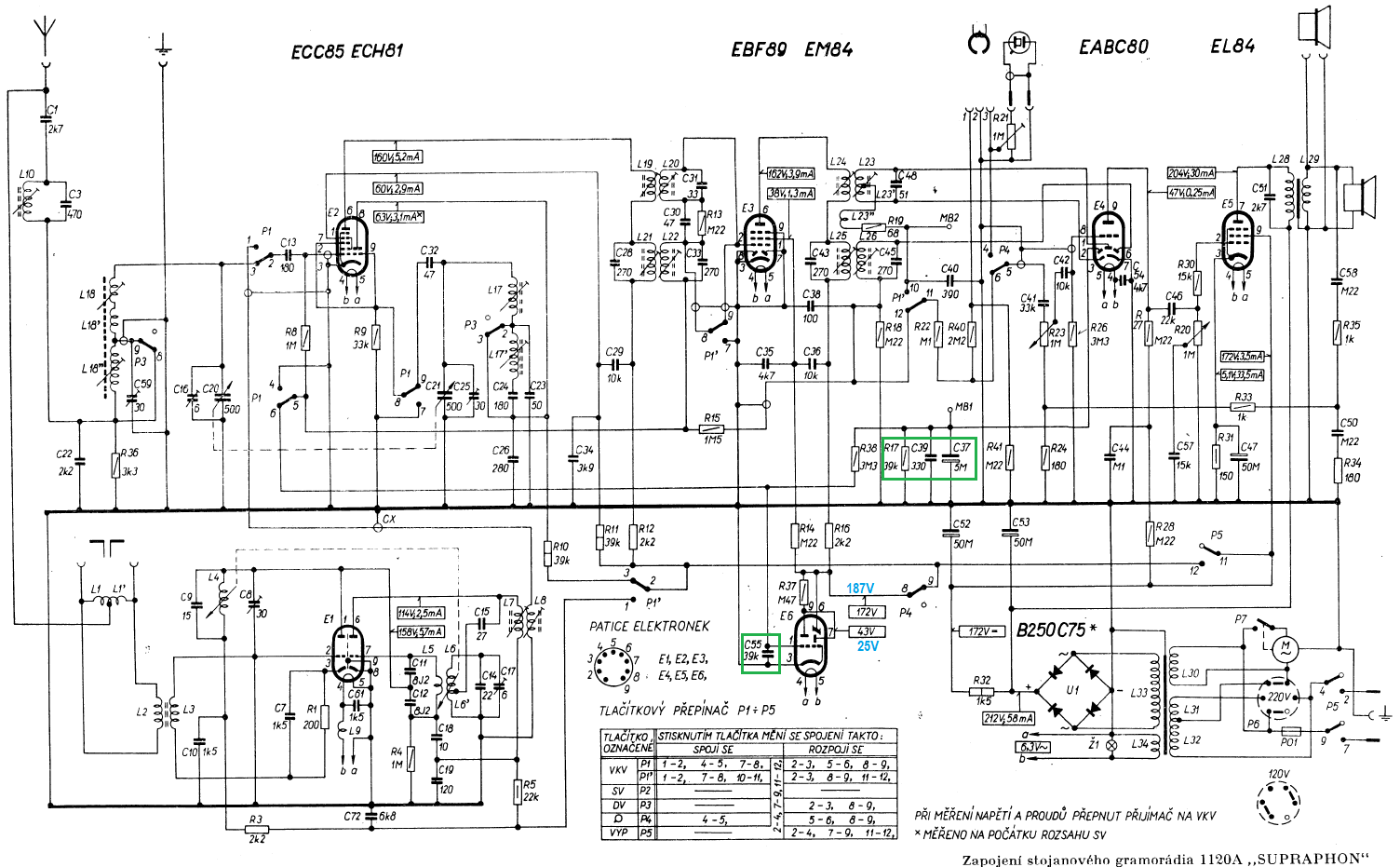
Už vymýšľam ako by som to nahradil. Mám ale problém s indikátorom vyladenia a to, že nemám dostatočné záporné napätie. Na mriežke EM84 je stále -0,4V a neraguje aj keď naladím silnú stanicu na VKV cez konvertor...
Odpor a kondenzátory v zelenom rámiku boli vymenené. Mal niekto podobný problém?
Přílohy
schema okolo EM84.png
Milan155
Příspěvky: 465
Registrován: 05.01. 2014, 05:53
Bydliště: severovýchodní Vysočina

Re: Tesla 1120A Supraphon

Příspěvek od Milan155 » 09.01. 2026, 20:35

Je pravděpodobné, že demodulátor (poměrový detektor) má velmi slabý signál. Citlivost příjímače , který je ok z výroby, má být cca 30uV , navíc přijímáš zrcadla, takže signál lezoucí do mf zesilovače bude dále dost zeslaben ve vstupní části laděné na jiný než přijímaný kmitočet . Dnešní přijímače VKV mívají udávanou citlivost pro s/š 26dB řádově jednotky uV . Z mých zkušeností bývá obvykle v důsledku stárnutí jader rozladěný PD , tudíž další zeslabení signálu . Může být ovšem také vadná jedna či více součástek včetně přepínačů v cestě anténa - detektor (vkv část) . Na odhalení vady by to chtělo generátor a postupovat podle slaďovacího předpisu, který je na netu.
Je dobré si uvědomit ještě jednu věc , která již byla mnohokrát diskutována zde i třeba na EB : Výrobcem udávaná citlivost přijímače neznamená automaticky , že při této velikosti signálu na vstupu sladěného přijímače bude magioko vůbec něco ukazovat , naopak u mnohých přijímačů je třeba pro znatelný pohyb magioka signál mnohonásobně větší (třeba 10x - 100x).
M.M.
Příspěvky: 76
Registrován: 12.10. 2022, 11:07
Bydliště: Banskobystrický kraj

Re: Tesla 1120A Supraphon

Příspěvek od M.M. » 10.01. 2026, 11:23

Začal som si chystať veci na zladenie pomerového detektora a hneď v prvom kroku, kde je potrebné pripojiť voltmeter na merací bod č.1 a kostru som si odspodu všimol drôt z meracieho bodu prispájkovaný o tienenie vodiča pripojeného na potenciometer hlasitosti. Po odpojení indikátor vyladenia na VKV pracuje správne. Asi sa ten merací bod niekomu javil ako odpojený vodič. Mám ja ale šťastie, už som nevedel ako ďalej...
Přílohy
schema s meracim bodom.png
Odpovědět