Zdroj
-
- Příspěvky: 72
- Registrován: 19.01. 2014, 15:51
- Bydliště: Veselí nad Lužnicí
Zdroj
Dobrý večer
Chci se zeptat zkušených: zháním oddělovací trafo 220V/220V jaký výkon asi ?nechci se nechat potlouc proudem při vrtání v rádiech.Taky si chci postavit zdroj na různé zkoušení Lamp a na rádia(když tam trafo chybí) Nemá někdo schéma nebo kde něco najít.Další otázka jaký máte názor na zkoušení kondenzátorů přes doutnavku?Jestly to dobře funguje tak jí dodělám do krabice s oddělovací žárovkou co používám.Jsem začátečník tak se chci aspoň trocha dovybavit.Sledovač NF signálu zrovna stavím z koncového zesilovače autorádia.Budu rát za jakýkoli rady k vybavení na opravy lampovek.Děkuji Standa
Chci se zeptat zkušených: zháním oddělovací trafo 220V/220V jaký výkon asi ?nechci se nechat potlouc proudem při vrtání v rádiech.Taky si chci postavit zdroj na různé zkoušení Lamp a na rádia(když tam trafo chybí) Nemá někdo schéma nebo kde něco najít.Další otázka jaký máte názor na zkoušení kondenzátorů přes doutnavku?Jestly to dobře funguje tak jí dodělám do krabice s oddělovací žárovkou co používám.Jsem začátečník tak se chci aspoň trocha dovybavit.Sledovač NF signálu zrovna stavím z koncového zesilovače autorádia.Budu rát za jakýkoli rady k vybavení na opravy lampovek.Děkuji Standa
Re: Zdroj
Pro tvoje opravy rádií/TV bude stačit oddělovací trafo 150-200W.
Doutnavková zkoušečka na kondenzátory je taková hračka (i nebezpečná). Běžné kondenzátory měř nějakým měřákem, elektrolyty v kritických místech např. já nikdy neměřím, ale rovnou vyměním.
Doutnavková zkoušečka na kondenzátory je taková hračka (i nebezpečná). Běžné kondenzátory měř nějakým měřákem, elektrolyty v kritických místech např. já nikdy neměřím, ale rovnou vyměním.
Re: Zdroj
Jak zdroj bych doporučil si sehnat starší Tesla BS 275, který je občas vidět na Aukru. V začátcích by také mohl pomoci vymontovaný zdroj z přijímače Tesla Máj, který obsahuje usměrňovací elektronku a filtrační kondenzátory.Nevýhoda je, že nemá dostatečně dimenzované vinutí 4V pro nejstarší přijímače.
Návod na výrobu dílenského zdroje je napříklat zde : http://www.radiohistoria.sk/Oldradio/ma ... cu/0000420
nebo http://www.radiohistoria.sk/Oldradio/ma ... enDocument
Doutnavková zkoušečka dielektrika kondenzátorů vykoná cenné služby (osobně ale používám megmet 500V) a uvažovat o zkoušení dielektrika kondenzátorů multimetrem napájeným z 9V baterie bez měniče je pro zařízení s elektronkama nesmysl.
Pro začátečníka bude těžké se rozhodnout které kondenzátory vyměnit a které by ještě mohly nějaký čas sloužit. Protože např. i v Tesla Blaník mají všechny svitkové kondenzátory zalité asfaltem svod. Kritická situace nastává u vazebních kondenzátorů a blokovacích které jsou připojeny na vyšší anodové napětí. Někdy však dokáže potrápit svod i u kondenzátoru v obvodu pro AVC...
Návod na zkoušečku je zde: http://www.radiohistoria.sk/Oldradio/ma ... cu/0000803
Návod na výrobu dílenského zdroje je napříklat zde : http://www.radiohistoria.sk/Oldradio/ma ... cu/0000420
nebo http://www.radiohistoria.sk/Oldradio/ma ... enDocument
Doutnavková zkoušečka dielektrika kondenzátorů vykoná cenné služby (osobně ale používám megmet 500V) a uvažovat o zkoušení dielektrika kondenzátorů multimetrem napájeným z 9V baterie bez měniče je pro zařízení s elektronkama nesmysl.
Pro začátečníka bude těžké se rozhodnout které kondenzátory vyměnit a které by ještě mohly nějaký čas sloužit. Protože např. i v Tesla Blaník mají všechny svitkové kondenzátory zalité asfaltem svod. Kritická situace nastává u vazebních kondenzátorů a blokovacích které jsou připojeny na vyšší anodové napětí. Někdy však dokáže potrápit svod i u kondenzátoru v obvodu pro AVC...
Návod na zkoušečku je zde: http://www.radiohistoria.sk/Oldradio/ma ... cu/0000803
Re: Zdroj
Co se oddělovacího trafa týká , tak já používám podobné jako na odkazu , ale s ani ne polovičním výkonem. Oddělená vinutí jsou lepší než někdy nejistá izolace mezi sekcema a tím nebezpečí průrazu. Ale na druhou stranu, je vždy lepší nějaké než žádné. Svatá pravda! https://www.elektro-svestka.cz/detail/1 ... 30v-5000va
-
- Příspěvky: 72
- Registrován: 19.01. 2014, 15:51
- Bydliště: Veselí nad Lužnicí
Re: Zdroj
Děkuji za všechny rady,jsem potěšen že někdo poradí.Co říkáte tomuto trafu.http://www.sved.cz/editor/image/produkt ... ek_937.jpg. Zkoušečku kondenzátorů na elyty mám od Zajíce.
Re: Zdroj
Hezké , jen mi tam chybí oddělovací. Ale je možno tam dát dotaz , včetně parametrů , takže se zeptat a udat požadavky.
DOPLNĚNO: K odpovědi níže: Sorry ,nějak jsem přehlédnul , ano stačit by mělo. Jakou chtějí částku ?
DOPLNĚNO: K odpovědi níže: Sorry ,nějak jsem přehlédnul , ano stačit by mělo. Jakou chtějí částku ?
-
- Příspěvky: 72
- Registrován: 19.01. 2014, 15:51
- Bydliště: Veselí nad Lužnicí
Re: Zdroj
Na hlavní nabídce píšou oddělovací.Bude stačit těch 250W.Díky za opravu
Re: Zdroj
http://www.sved.cz/eshop/transformatory ... -230v.html
Jo ten bude s velikou rezervou stačit, i cena je zajímavá 885Kč s DPH. Finální výrobek (ve skříni se zásuvkou) dnes stojí kolem 2000Kč...
Jo ten bude s velikou rezervou stačit, i cena je zajímavá 885Kč s DPH. Finální výrobek (ve skříni se zásuvkou) dnes stojí kolem 2000Kč...
-
- Příspěvky: 72
- Registrován: 19.01. 2014, 15:51
- Bydliště: Veselí nad Lužnicí
Re: Zdroj
Děkuji za rady k trafu,zítra objednám.Ještě dotaz: mám koncový zesilovač z autorádia a chtěl bych ho použít mimo jiné jako sledovač NF signálu u lamp.rádií , jaký kondenzátor(kapacitu,hlavně napětí) mám tak použít? Zapojit ho na živej vstup. Na kostru zesilovače taky mám dát nějakou ochranu? Odpor nebo kondík? Nerad bych ho odpálil,nebo aby se nepropojily kostřící potencialy od zemění zásuvek.Rádia nemaj některý kostřící kolík tak se může stát že se obrátí napájení v přívodní šňůře.Ten konc. zesilovač používám i k PC a mám tam přepínač na vstup tak to musím ošetřit.Děkuji.
Re: Zdroj
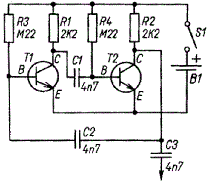
Možná hloupost , ale: třeba po čase seženeš sledovač signálu , někdy je např. na Aukru , tak se zatím podívej na odkaz. I ten jednoduchý multivibrátor, který je tam popsaný, udělá výborné služby. Jinak doporučuji si článek zkopírovat do PC , občas, alespoň ze začátku, přijde vhod. Jinak blahopřeji k úspěšnému postupu. Pokud budou některé rady vypadat jako krok zpět , tak pardon, člověk nikdy neví ,co ten druhý již zná a umí. 
http://www.radiohistoria.sk/Oldradio/ma ... cu/0000412

http://www.radiohistoria.sk/Oldradio/ma ... cu/0000412